EasyManua.ls Logo

VAMP 52 - Inverse time limitation; Cold load and inrush current handling; Setting groups

Default Icon
232 pages
Print Icon
To Next Page IconTo Next Page
To Next Page IconTo Next Page
To Previous Page IconTo Previous Page
To Previous Page IconTo Previous Page
Loading...
2.5 Overcurrent protection I> (50/51) 2 Protection functions Technical description
50
VAMP 24h support phone +358 (0)20 753 3264 VM50.EN004
Inverse time limitation
The maximum measured secondary current is 50xI
n
. This
limits the scope of inverse curves with high pick-up settings.
See chapter 2.23 for more information.
Cold load and inrush current handling
See chapter 3.3.
Setting groups
There are two settings groups available for each stage.
Switching between setting groups can be controlled by digital
inputs, virtual inputs (communication, logic) and manually.
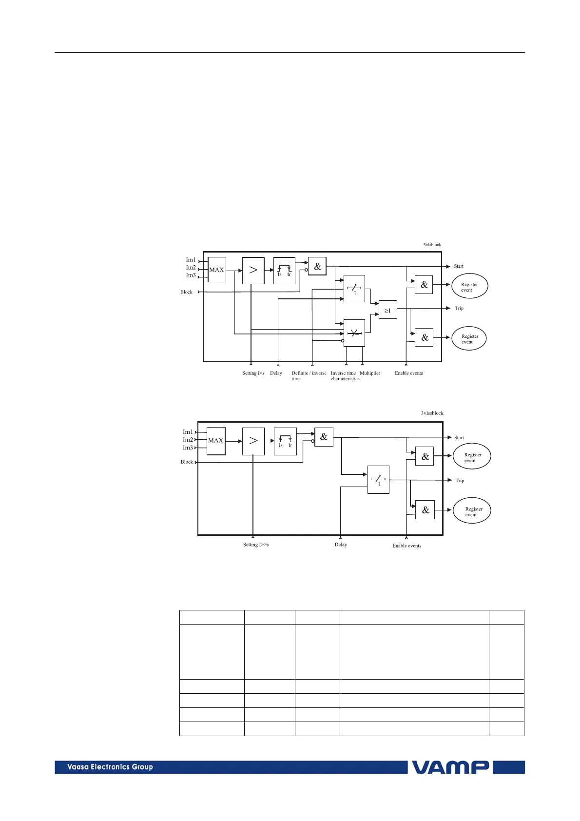
Figure 2.5-1 Block diagram of the three-phase overcurrent stage I>.
Figure 2.5-2 Block diagram of the three-phase overcurrent stage I>> and
I>>>.
Parameters of the overcurrent stage I> (50/51)
Parameter Value Unit Description Note
Status -
Blocked
Start
Trip
Current status of the stage
F
F
TripTime s Estimated time to trip
SCntr Cumulative start counter Clr
TCntr Cumulative trip counter Clr
SetGrp 1 or 2 Active setting group Set

Table of Contents

Related product manuals