EasyManua.ls Logo

VarioCooking Center 211 - Page 87

Default Icon
208 pages
Print Icon
To Next Page IconTo Next Page
To Next Page IconTo Next Page
To Previous Page IconTo Previous Page
To Previous Page IconTo Previous Page
Loading...
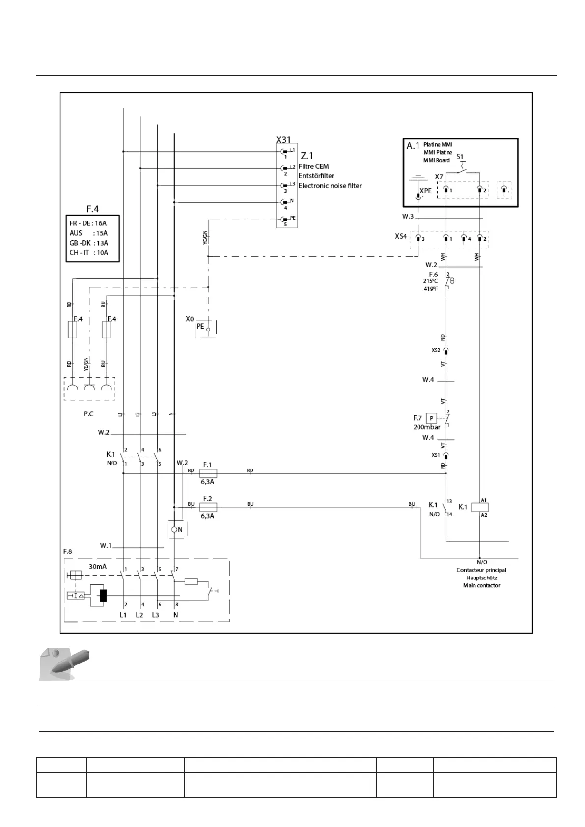
Safety chain
Units 211, 311 up to 2013/04
VII.05
v03 • July-2016 • Hen
Power supply module
Line Units Serial number (starting from) Sw Revision
VCCM
VCCWE
211, 311
211P, 311P
E21xH1009xxxxxxx, E31xH1009xxxxxxx

Table of Contents

Related product manuals