EasyManua.ls Logo

Ventrac 4520Z - Removing and Installing the Fuel Tank

Ventrac 4520Z
266 pages
Print Icon
To Next Page IconTo Next Page
To Next Page IconTo Next Page
To Previous Page IconTo Previous Page
To Previous Page IconTo Previous Page
Loading...
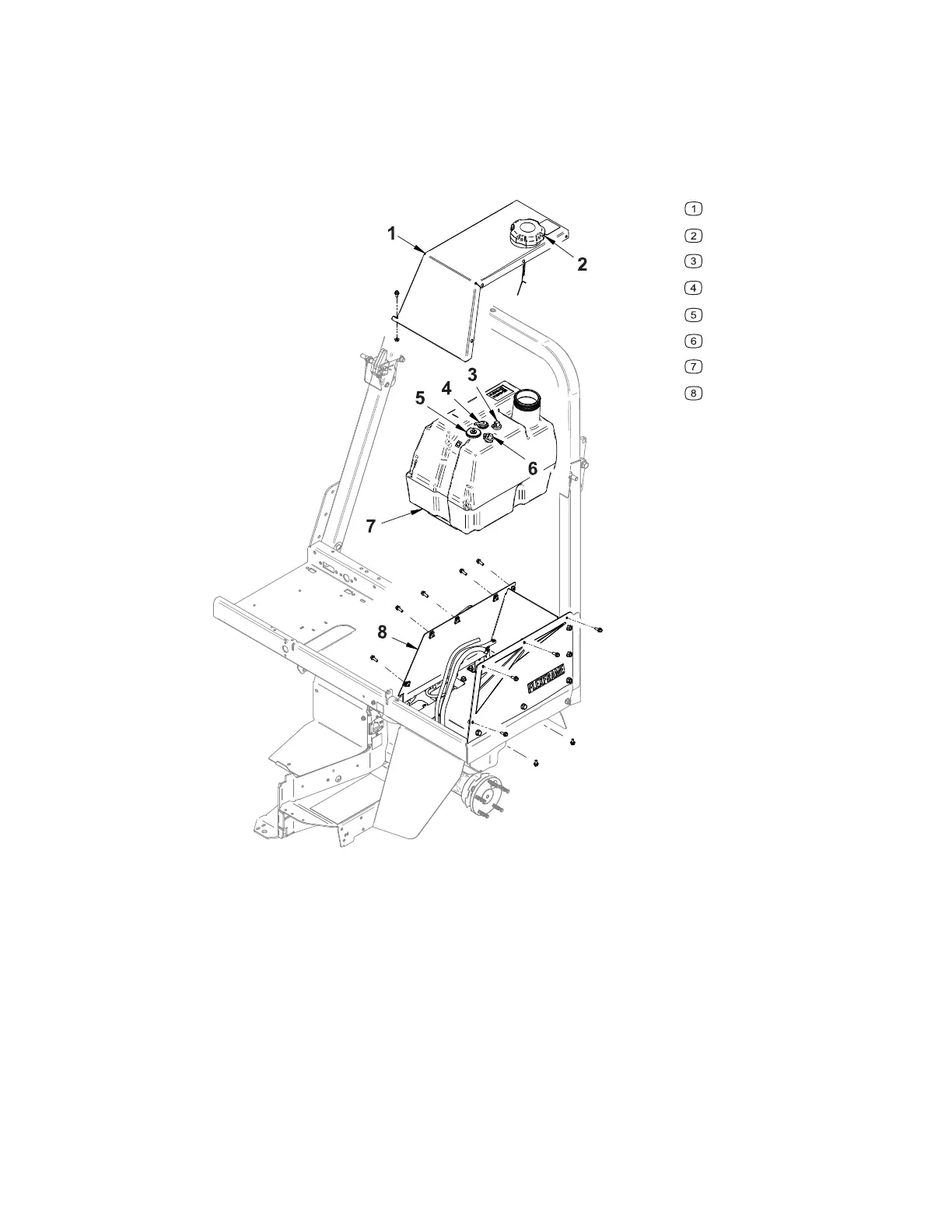
Fuel System (continued)
Removing and Installing the Fuel Tank
Figure 9
G419687
Main Fuel Tank Cover
Cap
Return Hose Fitting
Vent Hose Fitting
Sending Unit
Supply Hose Fitting
Fuel Tank Assembly
Inner Fuel Tank Cover
1. Remove all attachments from the machine.
2. Park the machine on a level surface, engage the parking brake, and remove the
key from the ignition.
3. Switch the main circuit breaker to the O
FF position, to de-energize the electrical
system.
4. Turn the fuel shut-off valve to the O
FF position refer to the Operator’s Manual.
5. Remove the fuel tank inner cover; refer to Removing and Installing the Fuel Tank
Inner Cover, page 7–26.
6. Remove the fuel tank top cover; refer to Removing and Installing the Fuel Tank
Top Cover, page 7–25.
4520Z Page 4–11 Engine: Engine Service and Repairs
09.40001Rev 00

Table of Contents

Related product manuals