EasyManua.ls Logo

Viessmann VITOPLEX 300 Type TX3A - Divicon heating circuit distributor, wall mounted

Viessmann VITOPLEX 300 Type TX3A
80 pages
Print Icon
To Next Page IconTo Next Page
To Next Page IconTo Next Page
To Previous Page IconTo Previous Page
To Previous Page IconTo Previous Page
Loading...
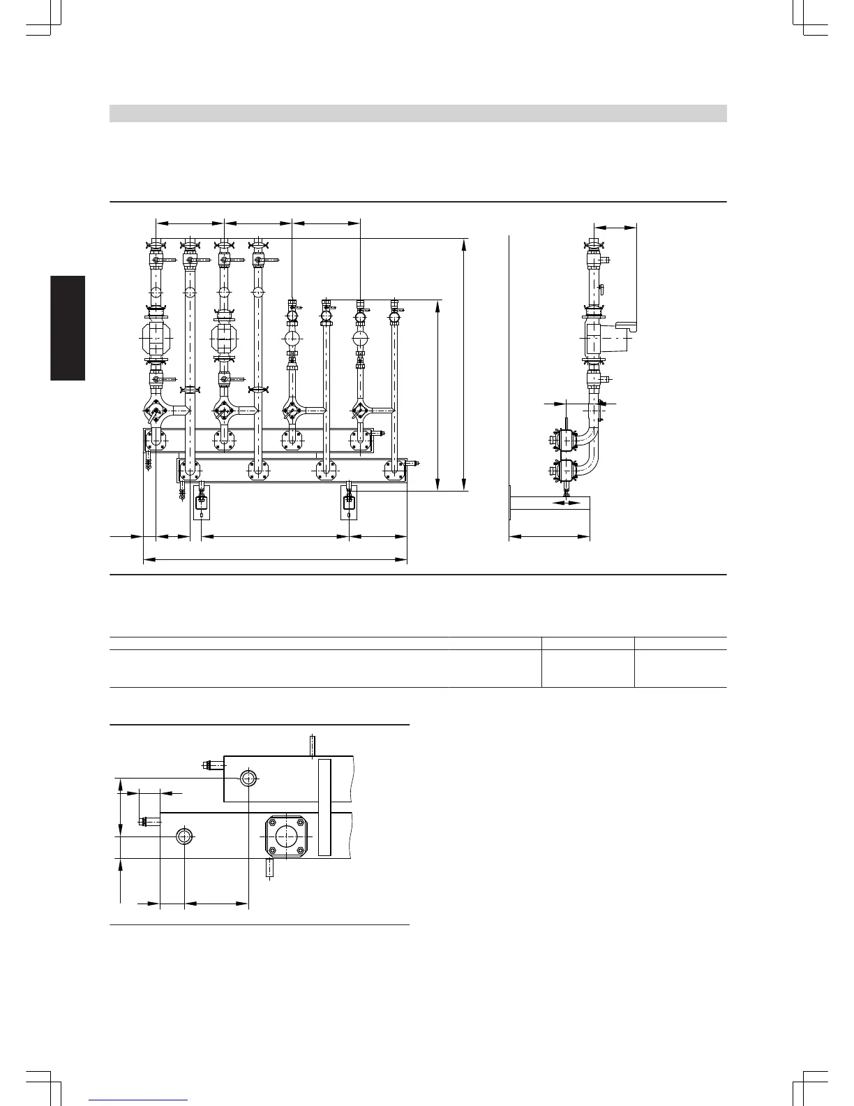
Divicon heating circuit distributor, wall mounted
For Vitoplex 200, 90 to 270 kW, Vitoplex 300, 90 to 300 kW, Vitoradial
300-T, 101 to 335 kW, Vitorond 200, 125 to 270 kW and
Vitocrossal 200/300, 87 to 314 kW.
500
c
= 307
b
a
1630
360
910
210
70
420420420
E
E
EL
EL
E Drain
EL Air vent valve
Dimensions
Rated boiler output kW 90-201 235-335
a (DN 25 + DN 32) mm 1186 1196
b (DN 40 + DN 50) mm 1586 1606
c mm 170 173
Connections for an additional consumer (e.g. DHW cylinder)
21080
67
19072,5
2 pipe nipples G 1½ (male thread) on the back of the flow and return
manifolds.
Installation accessories
(cont.)
20
VIESMANN
OIL/GAS BOILERS
9
5822 426 GB

Table of Contents

Related product manuals