EasyManua.ls Logo

Vista Quantum Plus - APPENDIX 1; ALARM SENSOR INSTALLATION

Vista Quantum Plus
126 pages
Print Icon
To Next Page IconTo Next Page
To Next Page IconTo Next Page
To Previous Page IconTo Previous Page
To Previous Page IconTo Previous Page
Loading...
105
Quantum Plus installation and user manual
APPENDIX 1
ALARM SENSOR INSTALLATION
1. Components
1) External Sensor: 1
2) DVR System: 1
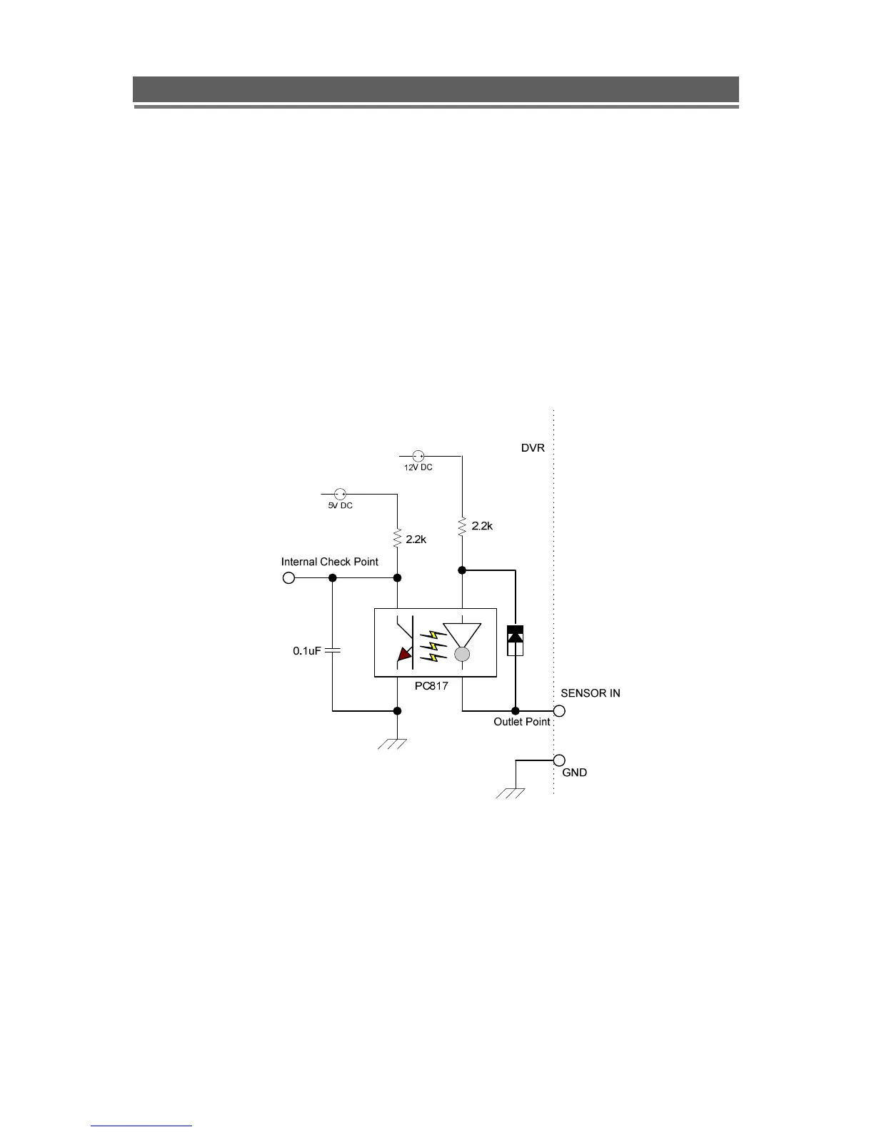
2. Inner Circuit for Sensor Input
The inner circuit of Quantum DVR is as follows,
PC817 : Photo Coupler
The Specification of PC817

Table of Contents

Related product manuals