EasyManua.ls Logo

Waters ACQUITY Arc - Page 14

Default Icon
79 pages
Print Icon
To Next Page IconTo Next Page
To Next Page IconTo Next Page
To Previous Page IconTo Previous Page
To Previous Page IconTo Previous Page
Loading...
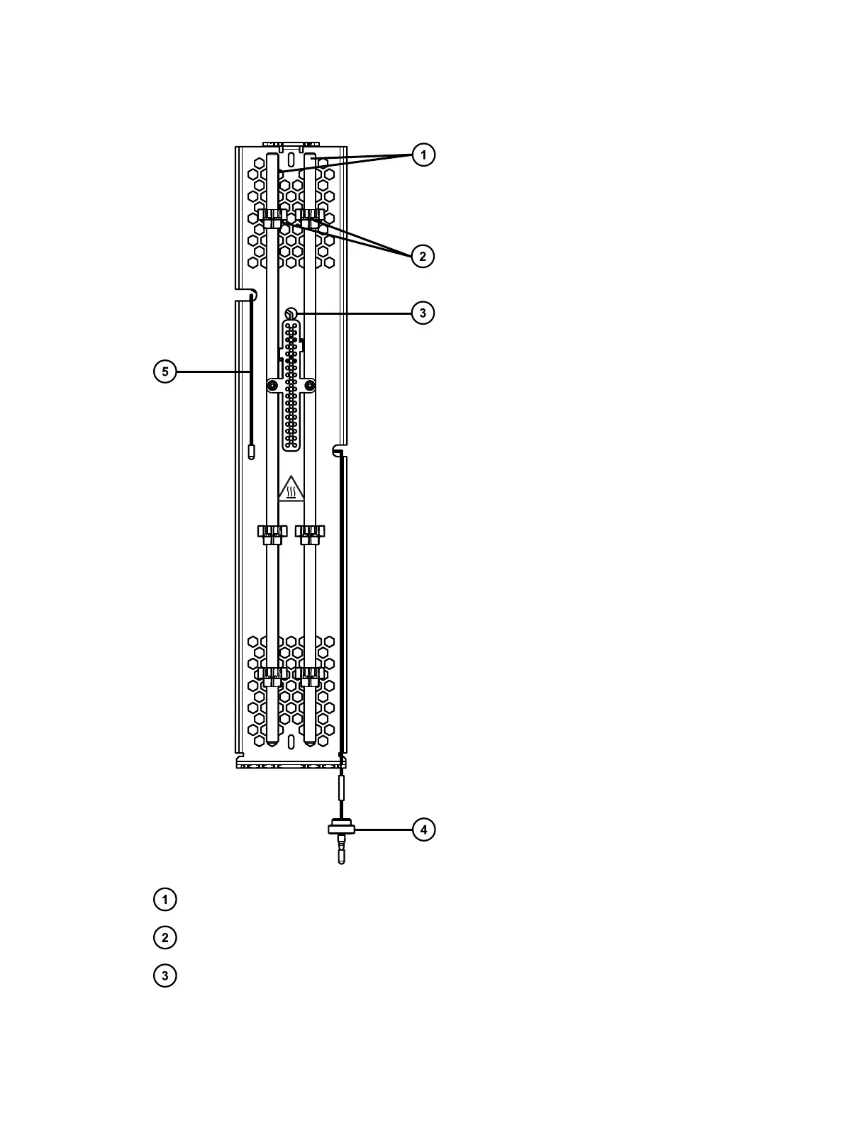
Figure 1–3: Compartment interior
Column rails (2)
Column clips (6)
Compartment thermistor
December 5, 2017, 715004751 Rev. C
Page 14

Table of Contents

Related product manuals