EasyManua.ls Logo

Watson-Marlow 630 U - Page 59

Watson-Marlow 630 U
186 pages
Print Icon
To Next Page IconTo Next Page
To Next Page IconTo Next Page
To Previous Page IconTo Previous Page
To Previous Page IconTo Previous Page
Loading...
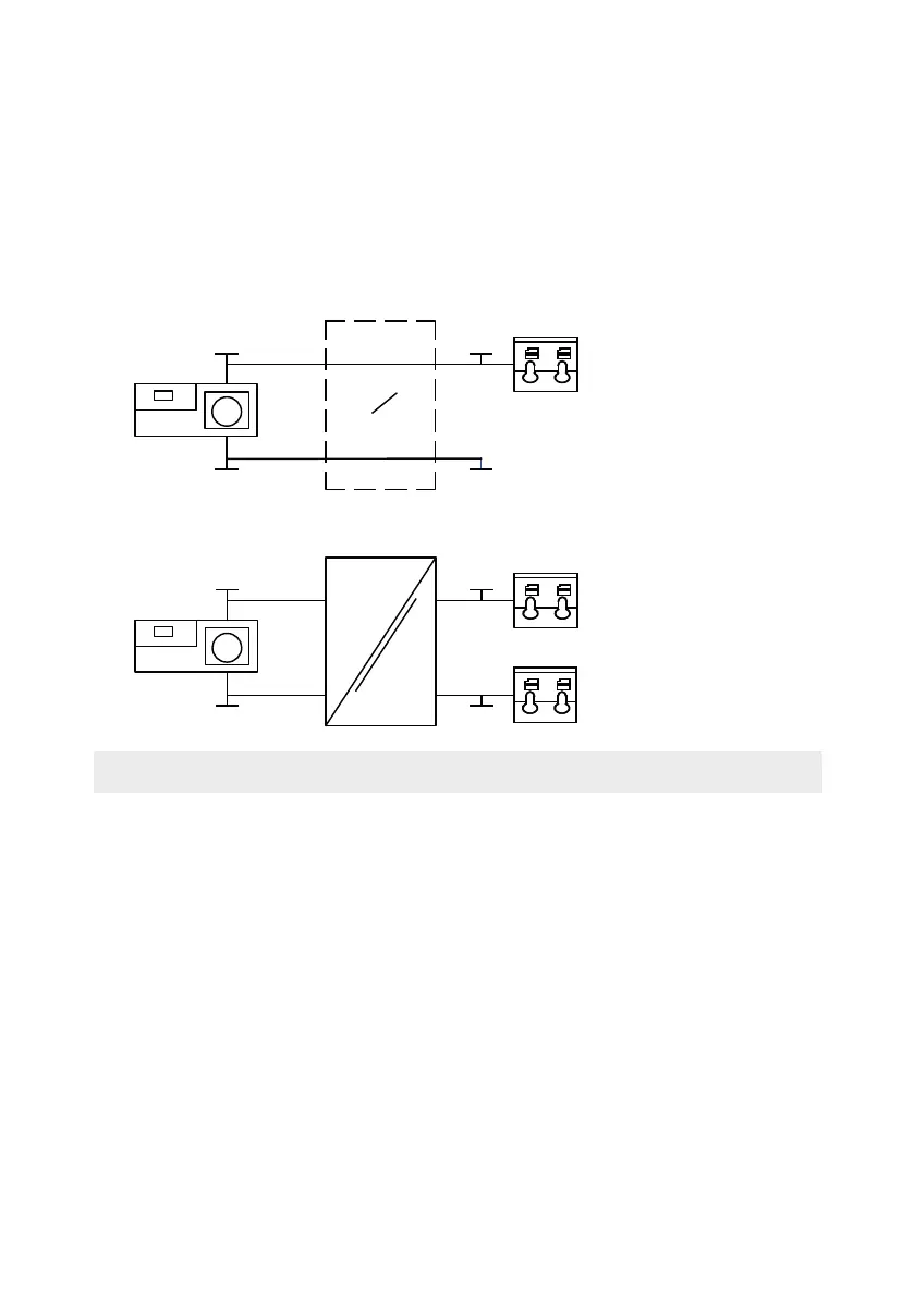
Power supply options
The NEMA terminal board is available with an isolated power supply option. This has a 24V isolated
power supply (maximum output load 80mA), U1, fitted. As shown below, U1 completely separates the
terminal 24V and 0V from the pump internal supplies.
This may be used if the sensor requires an isolated supply or has a 4-20mA output which cannot be used
with the ground connected load resistor within the pump.
22V
0VA
ISO.24V
0VA
U1
22V
0VA
U1
22V
ISO.0V
1.
2.
1. Without isolated power supply option (NModule) 2. With isolated power supply option (FModule)
m-630un-en-08 59

Table of Contents

Related product manuals