EasyManua.ls Logo

WEG SSW-05 - Page 39

WEG SSW-05
92 pages
Print Icon
To Next Page IconTo Next Page
To Next Page IconTo Next Page
To Previous Page IconTo Previous Page
To Previous Page IconTo Previous Page
Loading...
Español-41
ESPAÑOL
Manual de Instalación y Operación - SSW-05 Plus
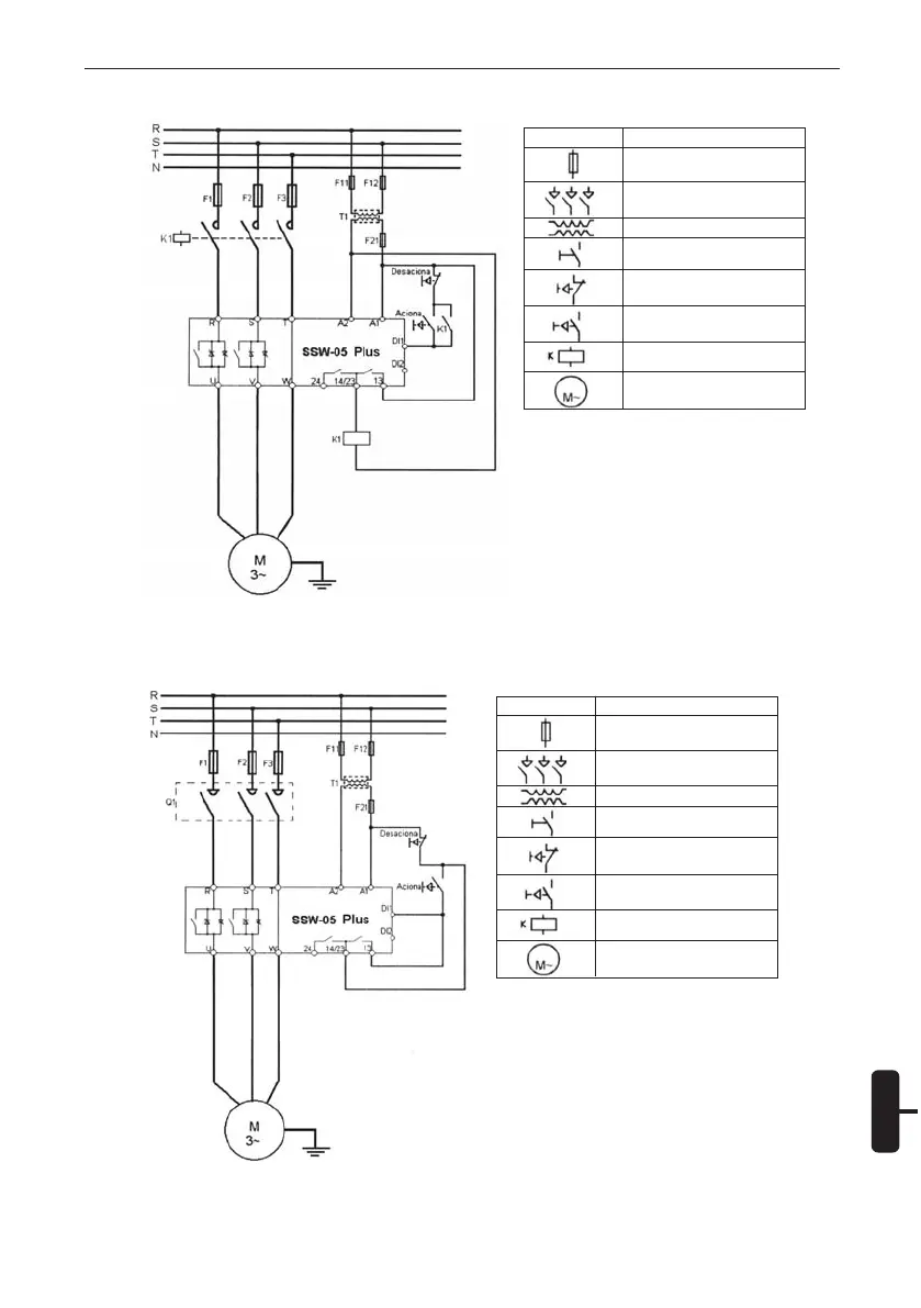
11.4. Arranque y Parada utilizando Botoneras y Relé de Operación del SSW-05 Plus:
El transformador “T1” solamente es
necesario cuando la tensión de la red fuere
distinta de la faja permitida para
alimentación de la Electrónica (90- 250Vac).
Paraà 380V utilizar el neutro (N) y una fase.
11.3. Arranque y Parada utilizando Contactor y Botoneras:
El transformador “T1” solamente es
necesario cuando la tensión de la red fuere
distinta de la faja permitida para
alimentación de la Electrónica (90 -250Vac).
Para 380V utilizar el neutro (N) y una fase.
Simbologia
Descripción
Fusible
Seccionadora
(Abertura bajo Carga)
Transformador
Llave N.A (Con retención)
Botonera N.F
(Con retorno Automático)
Botonera N.A
(Con retorno Automático)
Contactor (Bobina)
Motor de Indución
Trifásico
Simbologia Descripción
Fusible
Seccionadora
(Abertura bajo Carga)
Transformador
Llave N.A (Con retención)
Botonera N.F
(Con retorno Automático)
Botonera N.A
(Con retorno Automático)
Contactor (Bobina)
Motor de Indución
Trifásico
Figura 11.3 - Arranque y Parada utilizando Contactor y Botoneras
Figura 11.4 - Arranque y Parada utilizando Botoneras y Relé de Operación
del SSW-05 Plus

Table of Contents

Related product manuals