EasyManua.ls Logo

Westerbeke 3.5 SBCG - Wiring Diagram #54609 Engine Block Components

Westerbeke 3.5 SBCG
60 pages
Print Icon
To Next Page IconTo Next Page
To Next Page IconTo Next Page
To Previous Page IconTo Previous Page
To Previous Page IconTo Previous Page
Loading...
WIRING
DIAGRAM
#54609
ENGINE
BLOCK
COMPONENTS
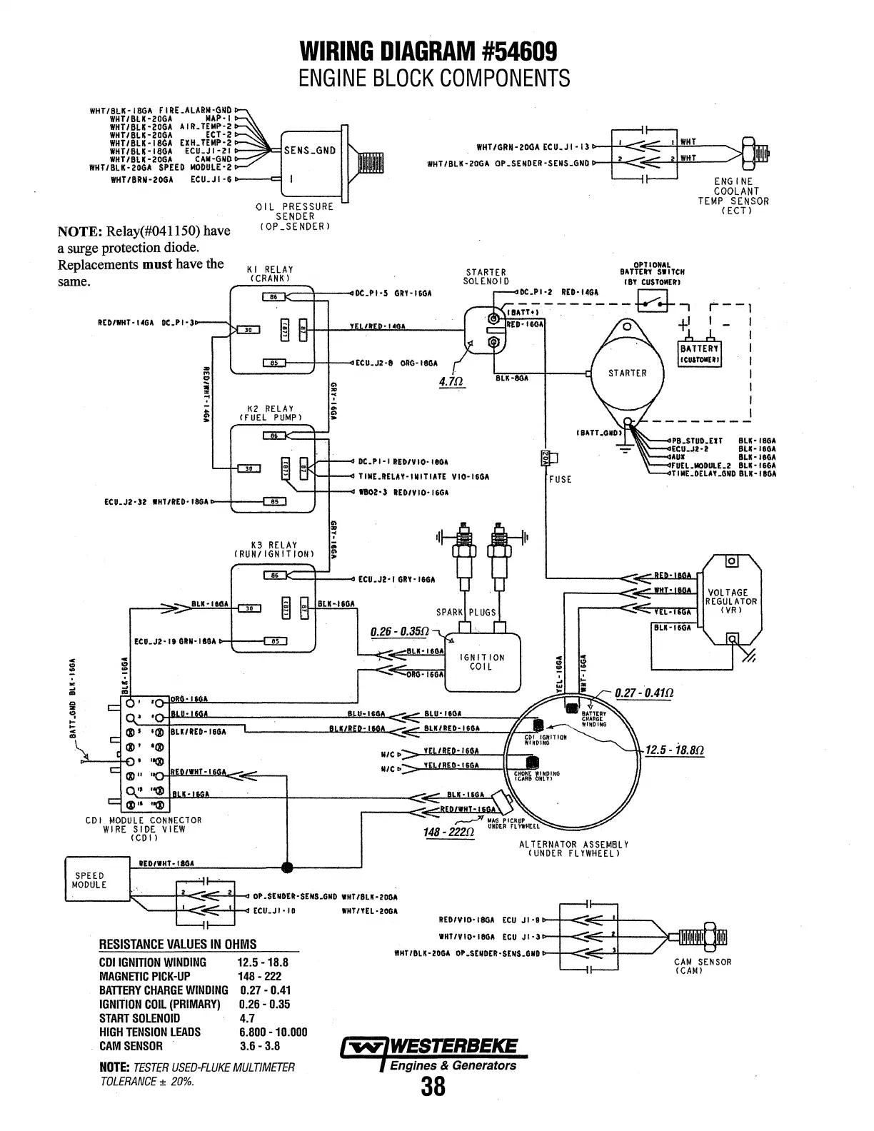
QIL
PRESSURE
SENDER
!OP.SENDER>
Kf
RELAY
!CRANK>
~...;.:~86~~:l=-""'OC-PI•5
GRY•IGGA
NOTE:
Relay(#041150) have
a surge protection diode.
Replacements
most have the
same.
n!i'I---I--4---ECU.J2·8
OIIG•l8GA
:
i
7
KZ
RELAY
CFUEL
PUMP>
K3
RELAY
( IWN/IGN I
liON
l
!CU.J2·1t
GRII•IIGA
H----<n5"1
CD
I
MODULE
CONNECTOR
WI
RE
SIDE V I
EW
<COil
RESISTANCE
VALUES
IN
OHMS
COl
IGNITION
WINDING
12.5
-18.8
MAGNETIC
PICK-UP
148
-
222
BATIERY
CHARGE
WINDING
0.27-
0.41
IGNITION
COIL
(PRIMARY)
0.26-
0.35
START
SOLENOID
4.7
HIGH
TENSION
LEADS
6.800
-10.000
CAM
SENSOR
3.6
-
3.8
BLK-·16611
OPTIONAL
STARTER
BATTUY
SIITCH
SOl
01010
IBY
CU$TDMEtl
~:.·~
~E~t~':._--
r:::::l I
18ATT+I . ·
1:!:..!:t"
0
+I
BLl·8GA
FUSE
12.5-
18.80,
NOTE:
TESTER
USED-FLUKE
MULTIMETER
TOLERANCE±
20%.
Engines & Generators
38
r---,
I _ I
I
I
I
I
I
I
I

Related product manuals