EasyManua.ls Logo

Westfield XTR2 - Page 127

Default Icon
159 pages
Print Icon
To Next Page IconTo Next Page
To Next Page IconTo Next Page
To Previous Page IconTo Previous Page
To Previous Page IconTo Previous Page
Loading...
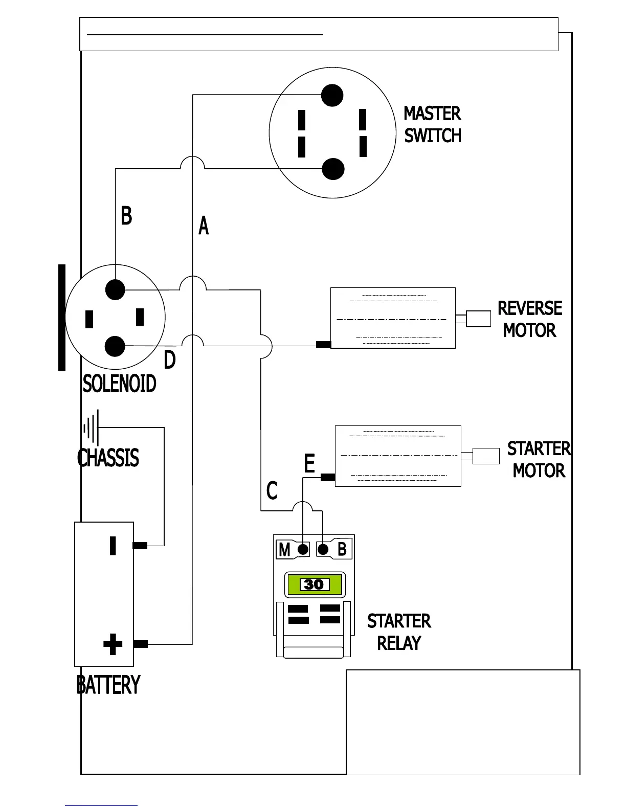
20.9
CABLE LENGTH TERMINALS
A
100” M6 - M10
B 84” M8 - M10
C 16” M6 - M8
D 11” M6 - M8
E50
M6 - M6
WIRING DIAGRAM – XTR2 REVERSE MECHANISM

Related product manuals