EasyManua.ls Logo

Whirlpool RF196LXK - Wiring Diagram; WIRING DIAGRAMS & STRIP CIRCUITS; Wiring Diagram Overview

Whirlpool RF196LXK
72 pages
Print Icon
To Next Page IconTo Next Page
To Next Page IconTo Next Page
To Previous Page IconTo Previous Page
To Previous Page IconTo Previous Page
Loading...
6-1
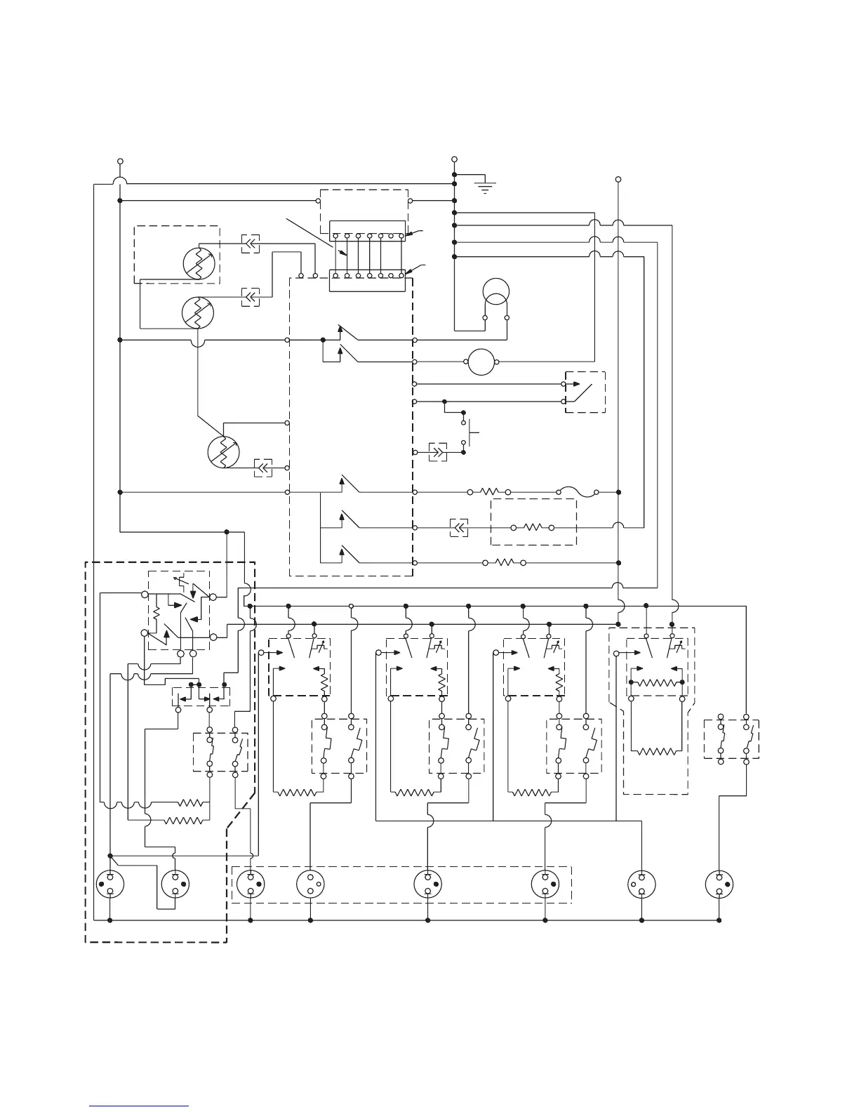
WIRING DIAGRAMS & STRIP CIRCUITS
WIRING DIAGRAM
NOTE: SCHEMATIC SHOWS DOOR LATCH SWITCH IN THE
“COOK” POSITION WITH THE OVEN DOOR OPEN, AND
ELEMENTS OFF.
L1
BK
B
A
P
L2
L1
H1 H2
Y
2A
Y
2B
1A 1B
1200 W
LR
P
L1
H1
BR
1200 W
W
RF
P
L2
L1
H1
H1
H2
H2
BU
GY GY
2A
BU
2B
1A 1B
1800 W
RR
LR
RR
HOT SURFACE
IND. LIGHTS
R
P8-5
P4-5
P3-3
P3-2
P8-3
OVEN CONTROL
SURF
IND.
LIGHT
BU
1600
W
BU
2A
1A
2B
1B
P
2A
1A
2B
1B
L2
L1
CR
100
LF
SURFACE
IND. LIGHT
ACCU-
SIMMER
IND.
LIGHT
CR
HOT SURFACE
IND.
LIGHT
OR
1
2
3
OR/WT
P4-3
P3-4
P3-1
P4-1
P4-8
P4-4
P8-1
P4-7
P4-6
1 2 345X 7
2 5 467X 1
GY
BR
VLT
OR
BU
Y
P2
P7
R
BR
BU
GY
BK
TAN
Y
TAN
BK
VLT
SW.
DOOR
W
WARMING
DRAWER
SENSOR
UPPER OVEN
TEMP SENSOR
LOWER OVEN
TEMP
SENSOR
OR
BR
POWER SUPPLY
P1-1 P1-4
N
GND
OVEN LIGHT
R
L2
W
W
DOOR LATCH
SWITCH
COM
N.O.
BU
OR/BK
R
BROIL ELEMENT
3400 W
WARMING DRAWER
ELEMENT - 850W
BAKE ELEMENT
2400W
THERMAL FUSE
OPENS
@ 184
°
F
R
R
W
W
H2
1A 1B
2A 2B
BR
L2
RF
INNER ELEMENT
OUTER ELEMENT
800
W
4A S2
P2
P1
2
4
OR/BK
VLT
LF
BK
W
BU/W
Y
BROWN WIRE CONTAINS NON-RESETABLE FUSE
BU
M
ON SOME MODELS
ON SOME MODELS
ON SOME
MODELS
ON SOME MODELS
8522647, Rev. A

Table of Contents

Other manuals for Whirlpool RF196LXK

Related product manuals