EasyManua.ls Logo

Whirlpool RF196LXK - Oven Control

Whirlpool RF196LXK
72 pages
Print Icon
To Next Page IconTo Next Page
To Next Page IconTo Next Page
To Previous Page IconTo Previous Page
To Previous Page IconTo Previous Page
Loading...
6-3
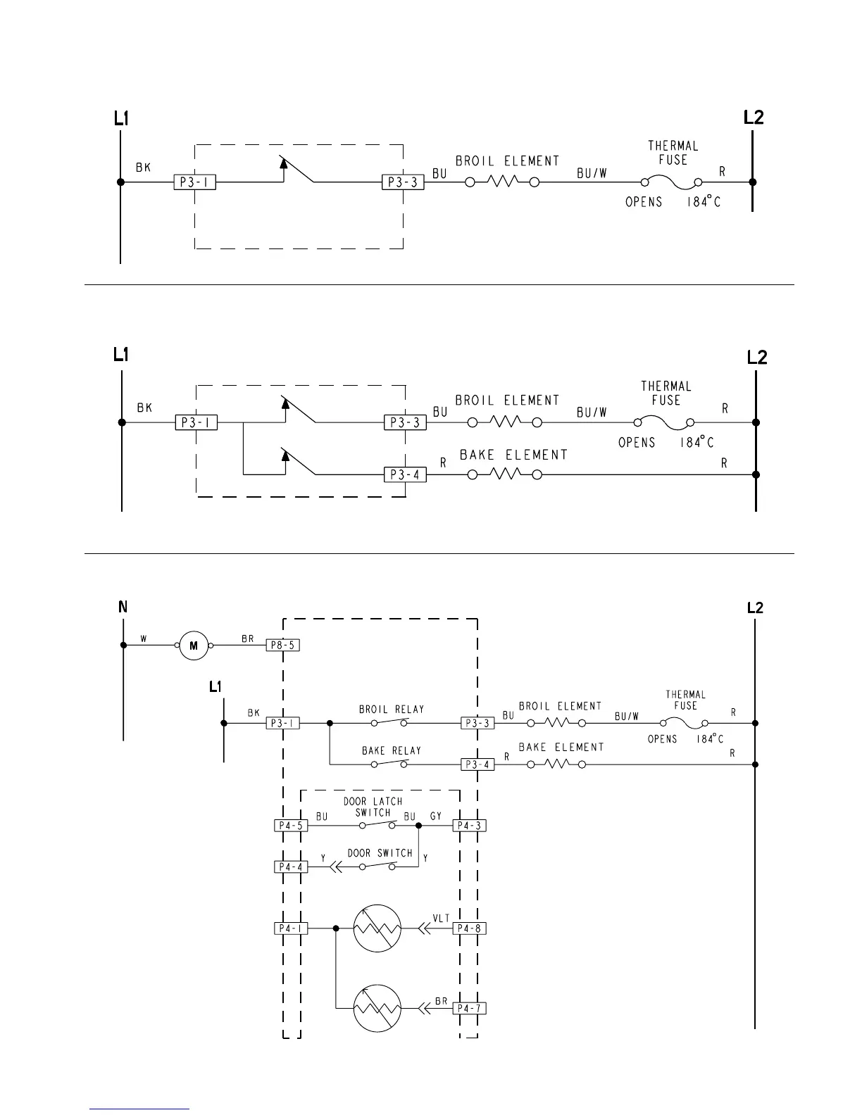
BROIL
BAKE
@
OVEN CONTROL
OVEN CONTROL
@
@
OVEN CONTROL
LOWER OVEN
TEMP SENSOR
UPPER OVEN
TEMP SENSOR
TAN TAN
TAN
CLEAN

Table of Contents

Other manuals for Whirlpool RF196LXK

Related product manuals