EasyManua.ls Logo

WinGD X35-B - LP SCR Temperature Controlled (Example)

WinGD X35-B
486 pages
Print Icon
To Next Page IconTo Next Page
To Next Page IconTo Next Page
To Previous Page IconTo Previous Page
To Previous Page IconTo Previous Page
Loading...
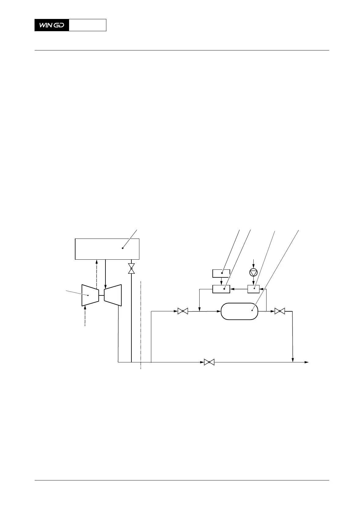
Valves
The valves in the LP SCR system are used for the different operation modes. The LP
SCR system has the valves that follow:
V1 - reactor inlet valve
V2 - reactor outlet valve
V3 - reactor bypass valve
V4 - turbine bypass valve
The turbine bypass valve (V4) is also used for other functions of the ECS, eg for low-load
tuning (LLT) or for steam production control (SPC).
4.13.1.2 Layout
The LP SCR system can be designed in different layouts related to the project. Two examples
are shown in Figure 4-30 and Figure 4-31.
Fig 4-30 LP SCR temperature controlled (example)
V3
V1
V4
V2
003
004
005001
006
002
Legend
001 Engine 004 Burner
002 Urea dosing unit 005 LP SCR reactor
003 Decomposition unit 006 Turbocharger
X35-B
AA00-9270-00AAA-043B-A
Operation Manual LP Selective catalytic reduction system
Winterthur Gas & Diesel Ltd.
- 115 - Issue 001 2019-10

Table of Contents

Related product manuals