EasyManua.ls Logo

WinGD X35-B - Page 484

WinGD X35-B
486 pages
Print Icon
To Next Page IconTo Next Page
To Next Page IconTo Next Page
To Previous Page IconTo Previous Page
To Previous Page IconTo Previous Page
Loading...
A
B
C
D
E
F
G
H
1 2 3 4 5
6 7
8
9
10
A
B
C
D
E
1 2 3 4 5
6 7
Object
P
roduct
Pages
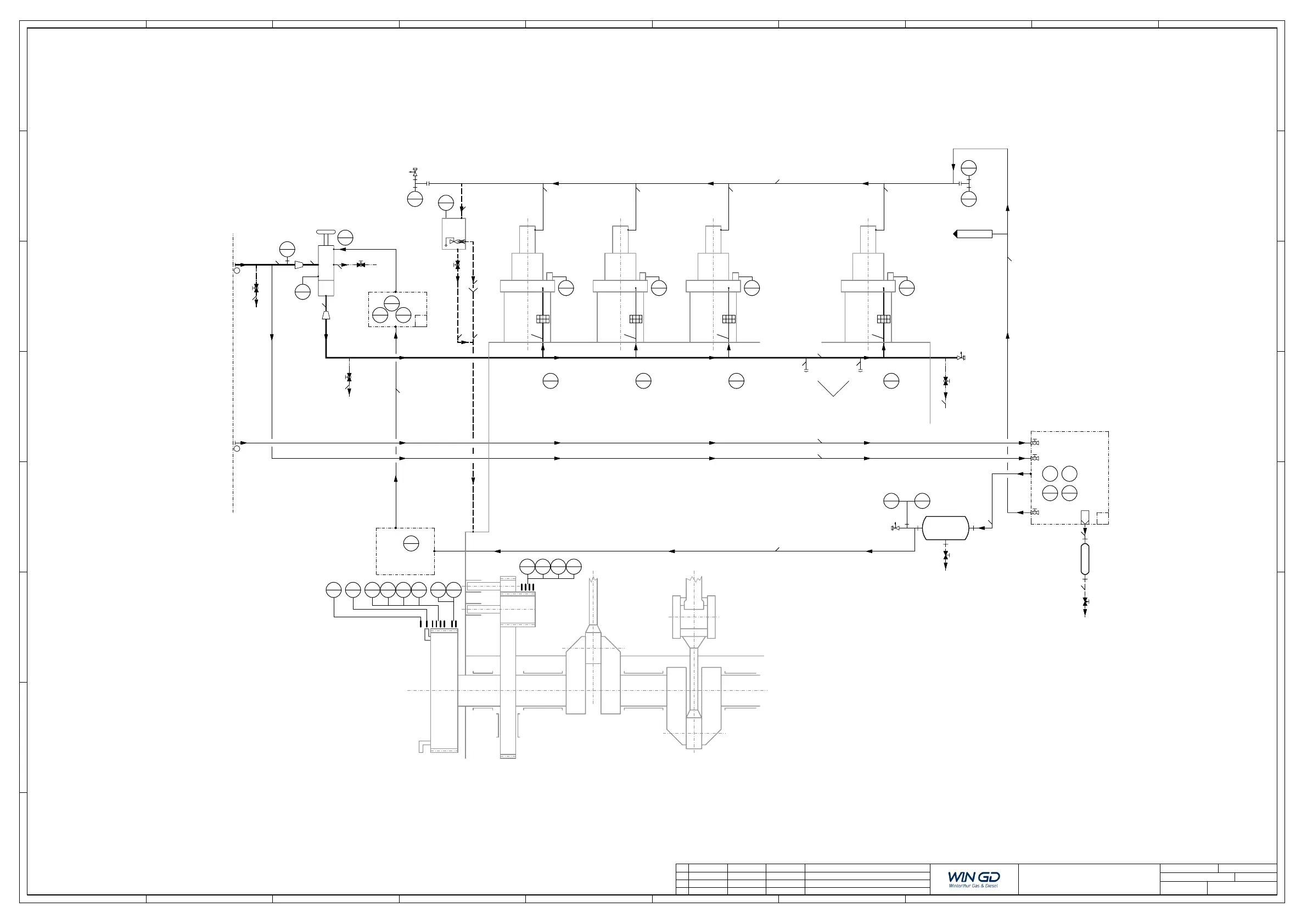
AIR SYSTEMS
PIPE DIAGRAM
Starting & Control Air
STD
8 / 10
W5X35-B
8606-E0-6 / DN20
8353-E0-2 / DN7
8
8
4
4
-
E
0
-
2
/
D
N
6
8605-E5-4 / DN100
8844-E0-1 / DN6
8605-E0-7 / DN15
8605-C1-1 / DN50
8605-C2-1 / DN50
8605-C3-1 / DN50
8605-C5-1 / DN50
8606-C5-1 / DN9
8606-C3-1 / DN9
8606-C2-1 / DN9
8606-C1-1 / DN9
8606-E0-2 / DN20
8606-E0-1 / DN50
8606-E0-5 / DN7
8606-E0-4 / DN15
8605-E0-1 / DN65
8605-E0-9 / DN15
8605-E5-5 / DN100 8605-E5-6 / DN100
4606-E0-2 / DN7
4606-E0-3 / DN7
8605-E0-8 / DN15
8607-E0-1 / DN15
4606-E0-1 / DN7
8630-E0-2 / DN15
8630-E0-1 / DN15
8353-E0.2
8605-E0.6
8605.C1.1
8605.C2.1
8605.C3.1
8605.C5.1
p >
35-274HD
8606-E0.4
CV
7013C
CV
7014C
PT
4302C
ZS
5018C
PT
4301C
PT
4341C
ZS
5016C
ZS
5124C
ST
5102C
ST
5103C
ST
5104C
ST
5111S
ST
5112S
ST
5131C
ST
5132C
ST
5133C
ST
5134C
CV
7241C
CV
7242C
CV
7243C
TE
4081A
TE
4082A
TE
4083A
40
LS
4351A
ZS
5123C
ST
5101C
Cyl. 1 Cyl. 2 Cyl. 3 Cyl. 5
8605-E0.9
4606-E0.2
8605-E0.7
8605-E5.4 8605-E5.5
4606-E0.3
4606-E0.4
287HA
p >
35-274HA
p >
8650-E0.1
PT
4341A
PS
4341S
PI
4401L
PI
4411L
PT
4401A
PT
4411A
PT
4421C
PT
4421A
45
PT
5017C
CV
7245C
TE
4085A
DG 3225
Disengaging Device
Turning Gear
PLANT
ENGINE
DG4003
E
DN50
DN50
DG 4605
Control Air Supply
see DG4003
A3
A1
A2
A6
Rupture Discs only if required
A
8607-E0-2 Page 9

Table of Contents

Related product manuals