EasyManua.ls Logo

Woodward ProTech TPS - Page 119

Woodward ProTech TPS
125 pages
Print Icon
To Next Page IconTo Next Page
To Next Page IconTo Next Page
To Previous Page IconTo Previous Page
To Previous Page IconTo Previous Page
Loading...
Manual 26710V1 ProTechTPS Total Protection System
Woodward 117
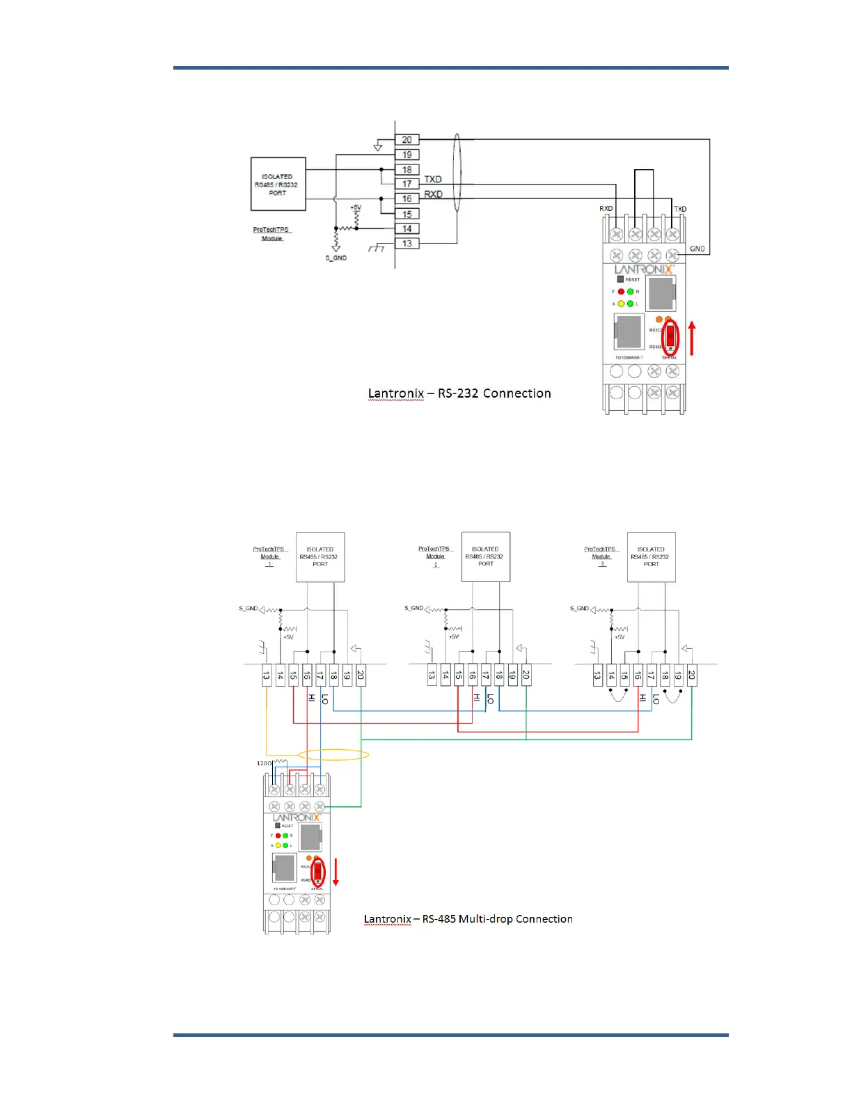
Wiring
RS-232
Verify that the dip switch on the front of the device is in the up position, indicating
RS-232 communications.
RS-485 2-wire

Table of Contents

Related product manuals