EasyManua.ls Logo

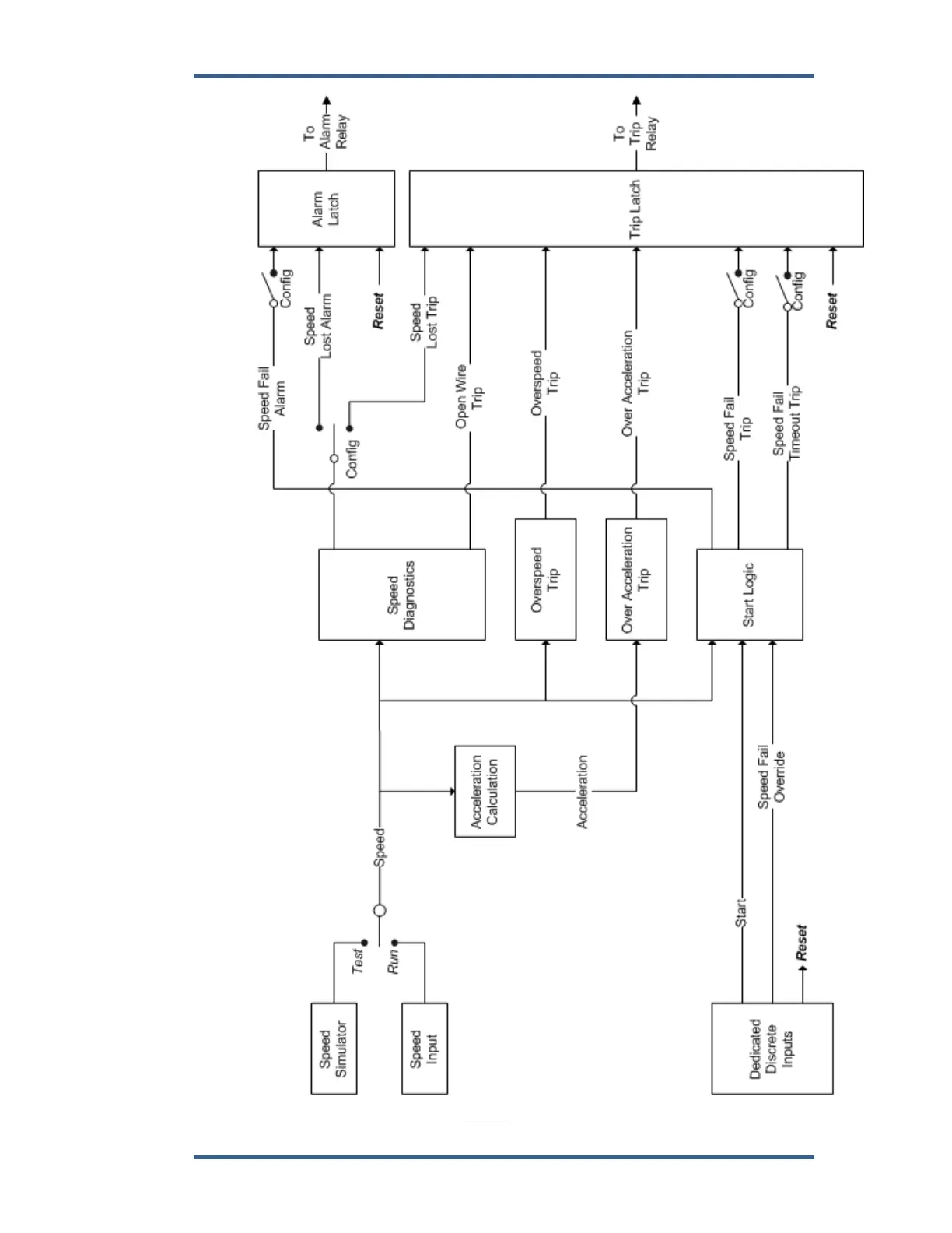
Woodward ProTech TPS - Figure 3-2. Module Diagram Without Speed Redundancy Manager Configured

Woodward ProTech TPS
125 pages
Print Icon
To Next Page IconTo Next Page
To Next Page IconTo Next Page
To Previous Page IconTo Previous Page
To Previous Page IconTo Previous Page
Loading...
Manual 26710V1 ProTechTPS Total Protection System
Woodward 53
Figure 3-2. Module Diagram without Speed Redundancy Manager Configured
(Configurable Analog/Digital inputs, Logic Blocks, and Output Relays not shown)

Table of Contents

Related product manuals