EasyManua.ls Logo

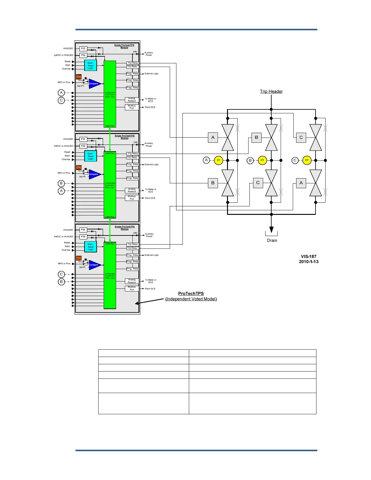
Woodward ProTech TPS - Figure 3-5. Example TMR Trip Block Assembly Interface

Woodward ProTech TPS
125 pages
Print Icon
To Next Page IconTo Next Page
To Next Page IconTo Next Page
To Previous Page IconTo Previous Page
To Previous Page IconTo Previous Page
Loading...
Manual 26710V1 ProTechTPS Total Protection System
Woodward 57
Figure 3-5. Example TMR Trip Block Assembly Interface
Independent Trip Relay Output Specifications
Number of Channels 2 (actuated simultaneously)
Output Type SPST Solid-state, Normally Open
Current Rating 1 A
Voltage Rating 24 V (32 V max)
Isolation 500 Vac from output to chassis and output to
all other circuits
Signal Cable Length Must be limited to 1000 ft / 305 m (low
capacitance
16 AWG / 1.3 mm² pair)
Table 3-1a. Independent Trip Relay Specifications

Table of Contents

Related product manuals