EasyManua.ls Logo

Yamaha EH63 - Page 72

Yamaha EH63
194 pages
Print Icon
To Next Page IconTo Next Page
To Next Page IconTo Next Page
To Previous Page IconTo Previous Page
To Previous Page IconTo Previous Page
Loading...
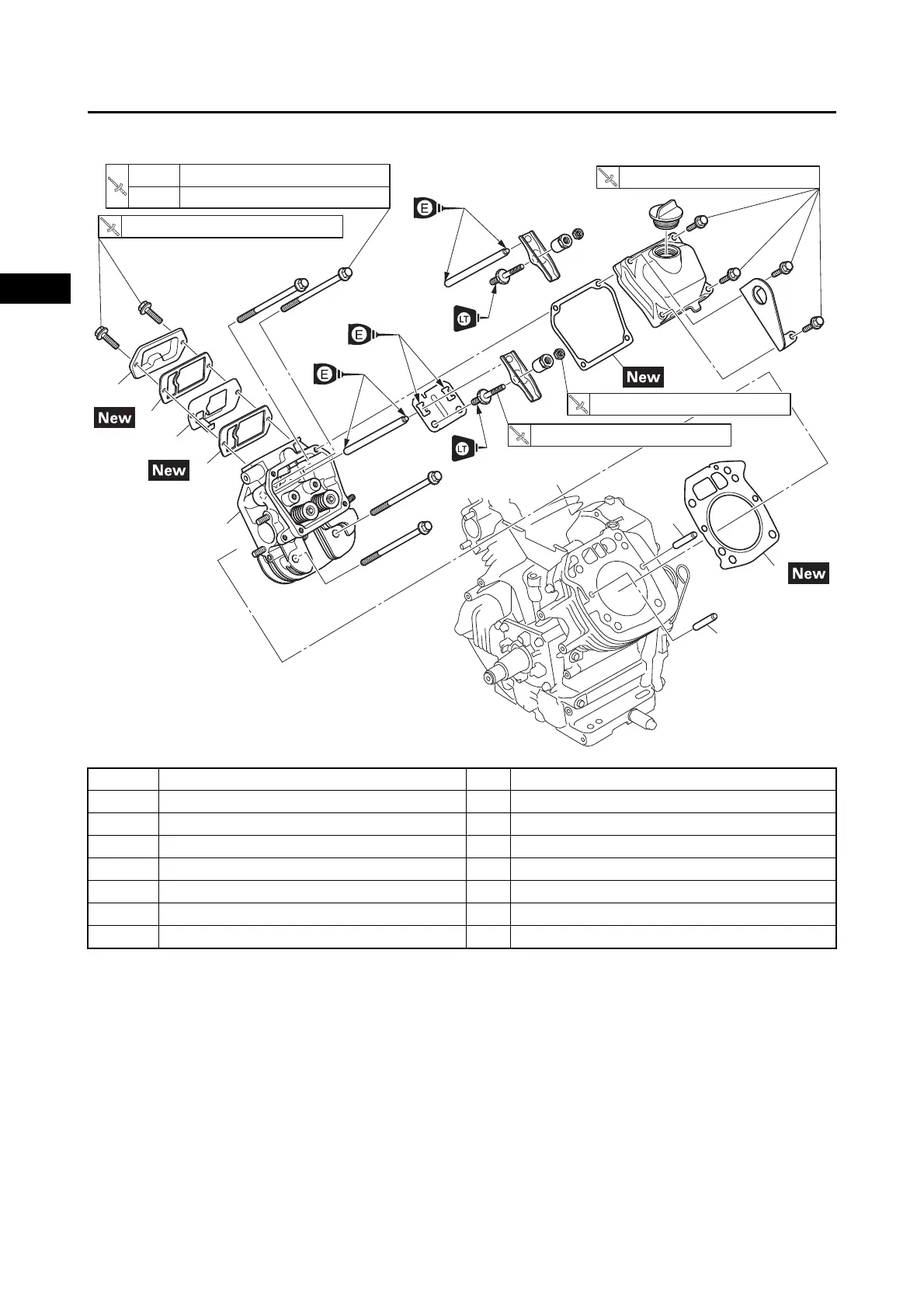
CYLINDER HEAD COVERS, CYLINDER HEADS
3-28
1
2
3
4
5
6
7
8
9
10
ENGINE
Order Job/Parts to remove Q’ty Remarks
12 Breather cover 1
13 Gasket 1
14 Breather assembly 1
15 Gasket 1
16 Cylinder head assembly #1 1
17 Gasket 1
18 Dowel pin 2
12
13
14
15
16
17
18
18
8 Nm (0.8 kgfm, 5.9 lbft)
45 Nm (4.5 kgfm, 33 lbft)
25 Nm (2.5 kgfm, 18 lbft)
3.9 Nm (0.39 kgfm, 2.9 lbft)
8 Nm (0.8 kgfm, 5.9 lbft)
18 Nm (1.8 kgfm, 13 lbft)
1st
2nd

Table of Contents

Related product manuals