EasyManua.ls Logo

Yanmar EF-494T - Hydraulic circuit

Yanmar EF-494T
239 pages
Print Icon
To Next Page IconTo Next Page
To Next Page IconTo Next Page
To Previous Page IconTo Previous Page
To Previous Page IconTo Previous Page
Loading...
8 POWER STEERING 8 POWER STEERING
EF494T TM 06/2011 edition
170
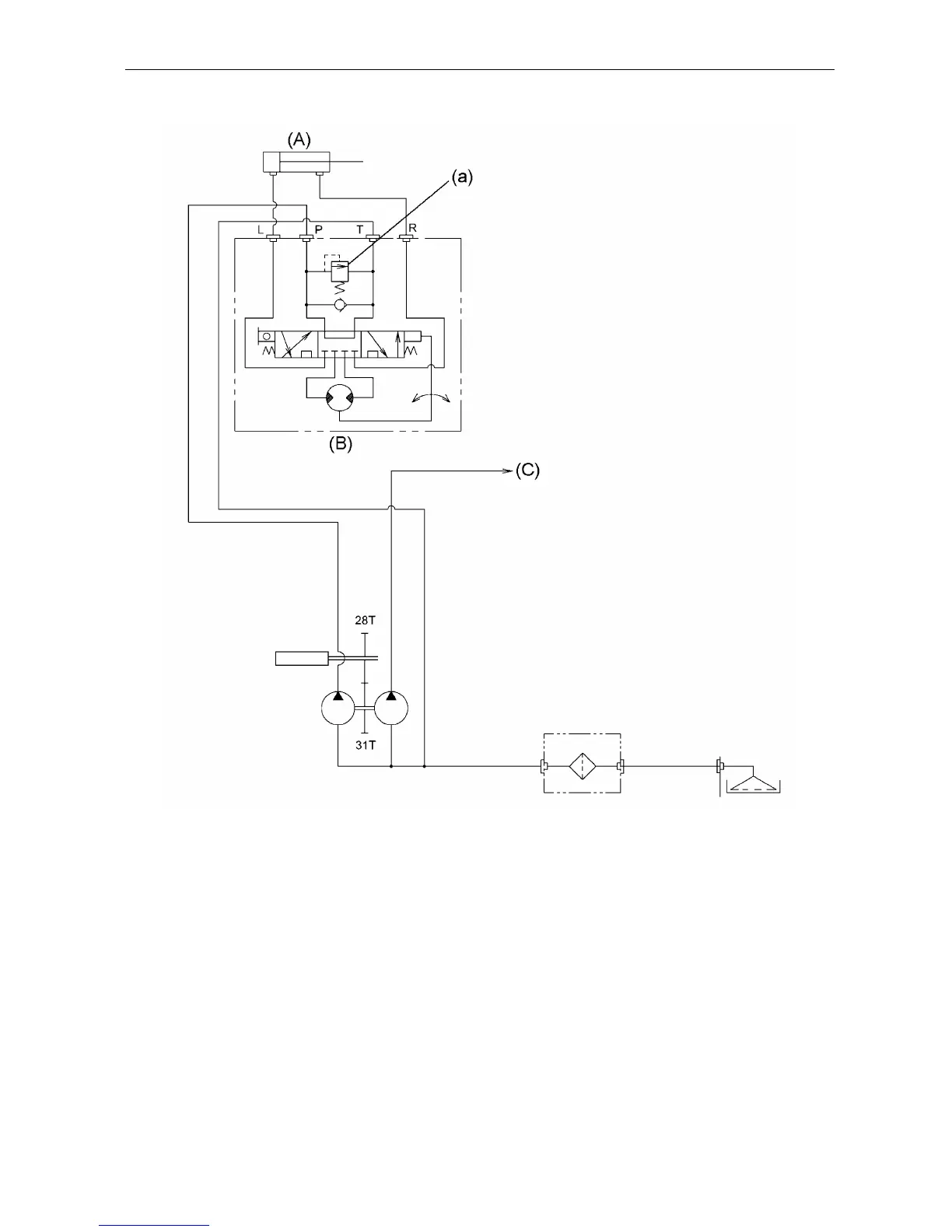
8.1.2 Hydraulic circuit
(A) Power steering cylinder
(B) Power steering valve
(C) To transmission
(a) Power steering relief valve:
Pressure 12.212.9 MPa (125-132 kgf/cm
2
)
Remarks
The power steering system is fully hydraulic. The
cylinder is a double rod type featuring excellent
stability while moving. Oil from the power steering
module is returned to the sump through the line
marked *.

Table of Contents

Related product manuals