EasyManua.ls Logo

YASKAWA ms80w - Part Names and Working Axes; Manipulator Base Dimensions

YASKAWA ms80w
72 pages
Print Icon
To Next Page IconTo Next Page
To Next Page IconTo Next Page
To Previous Page IconTo Previous Page
To Previous Page IconTo Previous Page
Loading...
5 Basic Specifications
5.2 Part Names and Working Axes
5-2
159328-1CD
HW1480497
MS80W Manipulator
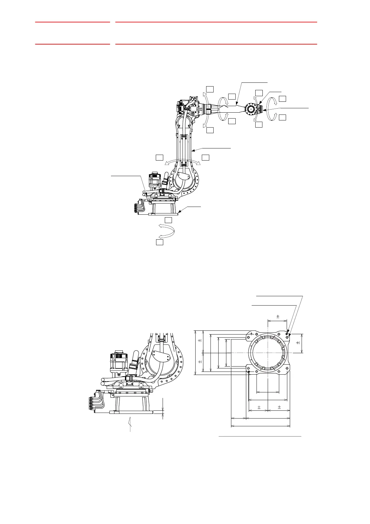
5.2 Part Names and Working Axes
Fig. 5-1: Part Names and Working Axes
5.3 Manipulator Base Dimensions
Fig. 5-2: Manipulator Base Dimensions
S+
S+
L+L-
U+
U-
R+
R-
B-
B+
T+
T-
(U-arm)
Upper arm
Wrist flange
Wrist
(L-arm)
(S-head )
Lower arm
Rotary head
Base
455
385
30
280
320
608
153 455
230
400
195 0.1
195 0.1
195 0.1 230 0.1
195 0.1 230 0.1
A
22dia. hole (8 holes)
12 dia. hole
+0.018
0
(2 holes )
View A
Manipulator Base Dimensions

Table of Contents