EasyManua.ls Logo

YASKAWA ms80w - Parts List; S-Axis Unit

YASKAWA ms80w
72 pages
Print Icon
To Next Page IconTo Next Page
To Next Page IconTo Next Page
To Previous Page IconTo Previous Page
To Previous Page IconTo Previous Page
Loading...
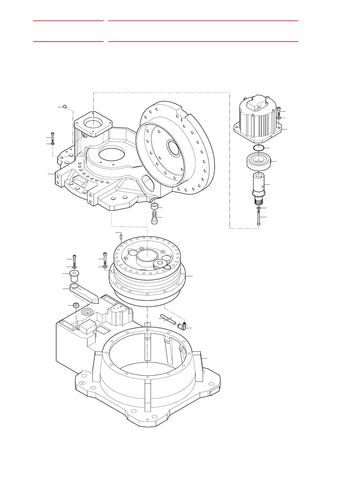
11 Parts List
11.1 S-Axis Unit
11-1
159328-1CD
HW1480497
MS80W Manipulator
11 Parts List
11.1 S-Axis Unit
Fig. 11-1: S-Axis Unit
1019
1001
1002
1003
1004
1005
1007
1009
1008
1010
1011
1013
1014
1015
1016
1018
1020
1017
1021
1022
1025
1026
1028
1023
1024
1012

Table of Contents