EasyManua.ls Logo

YOKOGAWA UT550 - Single-loop Control Function Block Diagrams

YOKOGAWA UT550
108 pages
Print Icon
To Next Page IconTo Next Page
To Next Page IconTo Next Page
To Previous Page IconTo Previous Page
To Previous Page IconTo Previous Page
Loading...
6-2
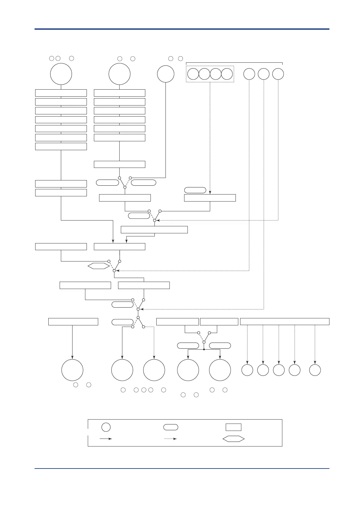
<Toc> < 6. Function Block Diagram and Descriptions >
IM 05D01C02-41E 3rd Edition: May 31, 2006-00
Function Block Diagram for Single-loop Control
RMS=COMRMS=RSP
SPN
REMOTE(ON)/LOCAL(OFF) switching
CommunicationAux. Input
LOCALREMOTE
R/L
RS485
Alarm function
* Unavailable when control output is current or pulse.
AUTO(ON)/MAN(OFF) switching
STOP(ON)/RUN(OFF) switching
OT1
S/R
AUTOMAN
RUNSTOP
A/M
Control output
Current or pulse
terminals and
Relay terminals
, and
Current terminals
and
OUTPUT1 OUTPUT1 OUTPUT1 OUTPUT3
15V loop power supply
24V loop power supply
Retransmission output
RT2 RT1
PV input terminals
, and
Remote input
terminals and
Communication
terminals to
12 1311
1716
Terminals and
4443
LPS
Current*
terminals
and
1716
2 31
1514
DO7DO4DO3DO2DO1
DI3 DI4 DI5 DI6 DI1 DI2 DI8INPUT1 INPUT3
2221
2723
Terminal Parameter Function
Analog Signal Contact Signal Front Panel Key
Legend
Contact input
Input selection
10-seg. linearizer approx./bias
Analog input filter
PV input filter
PV input bias
Square root extraction
Unit selection
Analog input bias
Analog input range conversion
Input selection
Analog input filter
Remote setting filter
Ratio/bias calculation
Target setpoint ramp-rate function
Control computation
Preset output Output limiter
Manual operation
Target setpoints 1 to 8
Square root extraction
Unit selection
Analog input bias
Analog input range conversion
Target
setpoint
selection
Alarm 1 Alarm 2 Alarm 3 Alarm 4 FAIL output
ON in
normal
condition

Table of Contents

Related product manuals