EasyManua.ls Logo

YOKOGAWA WT210 - Selecting the Measurement Range and Setting the Scaling Constant when External Sensor is Used (option)

YOKOGAWA WT210
316 pages
Print Icon
To Next Page IconTo Next Page
To Next Page IconTo Next Page
To Previous Page IconTo Previous Page
To Previous Page IconTo Previous Page
Loading...
4-14 IM 760401-01E
4.6 Selecting the Measurement Range and Setting
the Scaling Constant when External Sensor is
Used (option)
Keys
CHECK RANGE
MODE
UPDATE
SCALING
AVG
LINE FREQ
STORE RECALL
HARMONICS
KEY LOCK
FILTER
A
B
C
VOLTAGE VOLTAGE
VOLTAGE
AUTO
MODE
CURRENT
AUTO
RANGE
MAX HOLD
TRIG
CAL
INTEGRATOR
INTEG SET
SHIFT
KEY LOCK
1P 3W
3P 3W
3P 4W
3V 3A
OUTPUT
HARMONICS
MEMORY
REMOTE
MEAN
CURRENT RMS
DC
FUNCTION
ELEMENT
MAX HOLD
HOLD
ENTER
RESET
WIRING
START STOP
LOCAL
SETUP
1
m
V
k
A
V
TIME
ar
deg
h
h
VA
MW
m
VPF
k
A
MW
m
VHz
k
A
MW
23
FUNCTION
ELEMENT
123
FUNCTION
ELEMENT
123
%
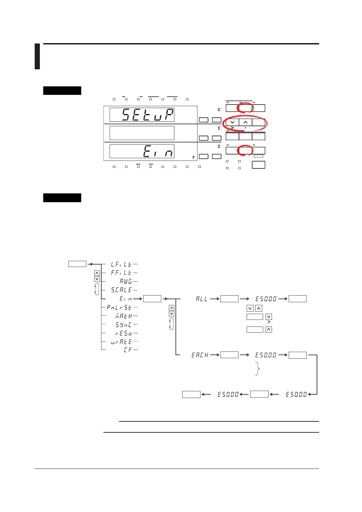
The explanation given in this section uses WT230 as an example. For the differences between
the WT210 and the WT230, see section 2.2, “Operation Keys and Functions/Element Display.”
Procedure
Operate the instrument by following the thick lines in the menu below.
Press the ENTER key to confirm a selection or setting.
To leave the current menu in the middle of the operation, press the key indicated in
step 1. The confirmed settings up to that point are kept.
Setting the Scaling Constant of the External Sensor Input
ENTER
3.
4.
ENTER
5.
ENTER
13.
End of setting
ENTER
5.
Select the setup method
( Display C )
Select collectively
( Display C )
Set ELEMENT 1
( Display A )
ENTER
9.
6.
7.
8.
Same as steps
6 to 8.
Set ELEMENT 2
( Display B )
10. Same as steps
6 to 8.
ENTER
11.
Set ELEMENT 3
( Display C )
12. Same as steps
6 to 8.
ENTER
9.
End of setting
6. sets the value
7. moves digits
8. moves the decimal point
SHIFT
SHIFT
1.
SETUP
Select the external sensor function
( Display C )
2.
Note
The setup method menu (All/Each) does not appear on the WT210.

Table of Contents

Related product manuals