EasyManua.ls Logo

ABB REF615 G - Page 405

ABB REF615 G
896 pages
Print Icon
To Next Page IconTo Next Page
To Next Page IconTo Next Page
To Previous Page IconTo Previous Page
To Previous Page IconTo Previous Page
Loading...
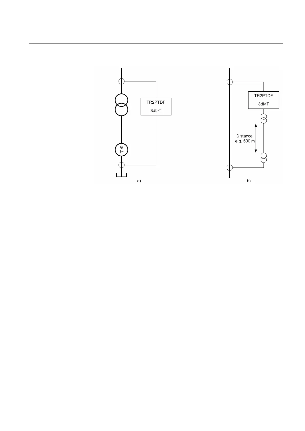
points is relatively long in line protection, interposing CTs can be required to
reduce the burden of the CTs.
GUID-B326703C-3645-4256-96AD-DA87FC9E9C67 V1 EN
Figure 214: Differential protection of a generator-transformer block and short
cable/line
TR2PTDF can also be used in three-winding transformer applications or two-
winding transformer applications with two output feeders.
On the double-feeder side of the power transformer, the current of the two CTs per
phase must be summed by connecting the two CTs of each phase in parallel.
Generally this requires the interposing CTs to handle the vector group and/or ratio
mismatch between the two windings/feeders.
The accuracy limit factor for the interposing CT must fulfill the same requirements
as the main CTs. Please note that the interposing CT imposes an additional burden
to the main CTs.
The most important rule in these applications is that at least 75 percent of the short-
circuit power has to be fed on the side of the power transformer with only one
connection to the IED.
1YHT530004D05 D Section 4
Protection functions
615 series 399
Technical Manual

Table of Contents

Related product manuals