EasyManua.ls Logo

ABB REF615 G - Page 725

ABB REF615 G
896 pages
Print Icon
To Next Page IconTo Next Page
To Next Page IconTo Next Page
To Previous Page IconTo Previous Page
To Previous Page IconTo Previous Page
Loading...
DEL_INIT_2
DEL_INIT_3
DEL_INIT_4
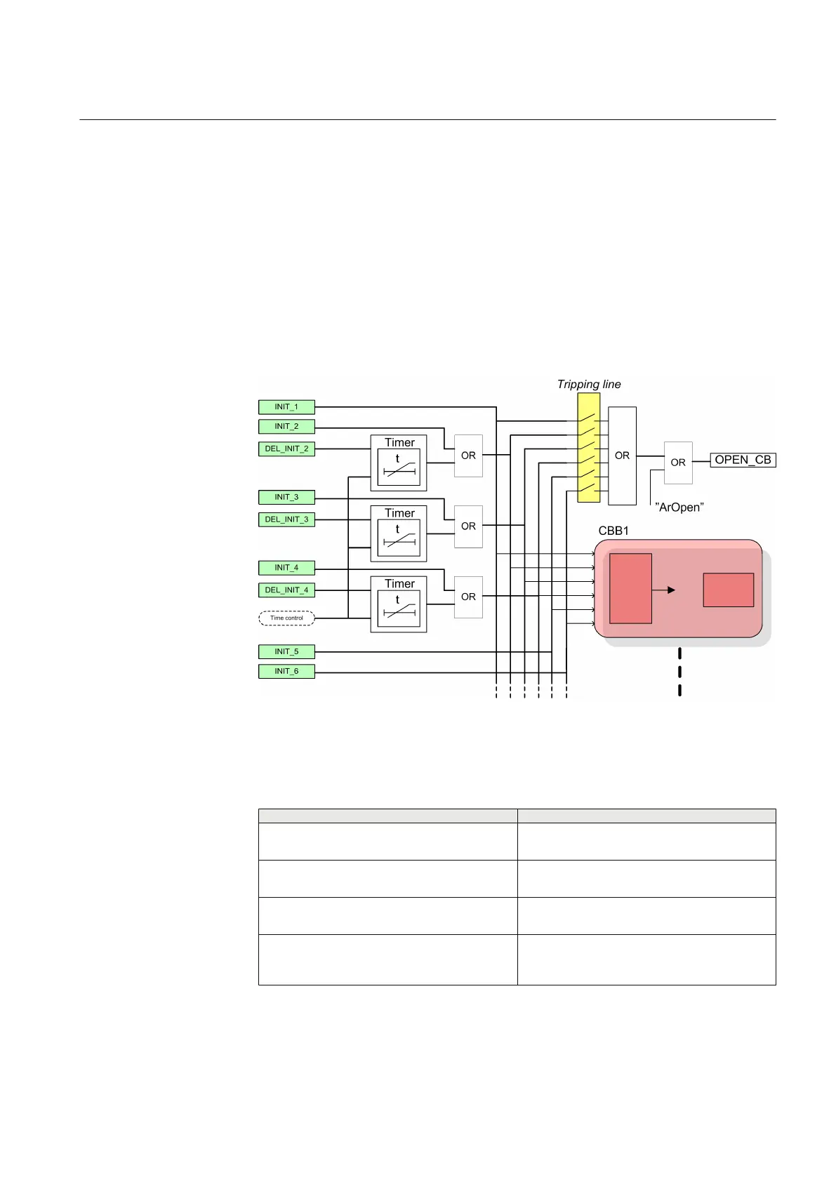
DEL_INIT_2 and INIT_2 are connected together with an OR-gate, as are inputs
3 and 4. Inputs 1, 5 and 6 do not have any delayed input. From the auto-reclosing
point of view, it does not matter whether INIT_x or DEL_INIT_x line is used
for shot initiation or blocking.
The auto-reclose function can also open the circuit breaker from any of the
initiation lines. It is selected with the Tripping line setting. As a default, all
initiation lines activate the OPEN_CB output.
A070276 V1 EN
Figure 394: Simplified logic diagram of initiation lines
Each delayed initiation line has four different time settings:
Table 620: Settings for delayed initiation lines
Setting name
Description and purpose
Str x delay shot 1
Time delay for the DEL_INIT_x line, where x is
the number of the line 2, 3 or 4. Used for shot 1.
Str x delay shot 2
Time delay for the DEL_INIT_x line, used for
shot 2.
Str x delay shot 3
Time delay for the DEL_INIT_x line, used for
shot 3.
Str x delay shot 4
Time delay for the DEL_INIT_x line, used for
shots 4 and 5. Optionally, can also be used with
SOTF.
1YHT530004D05 D Section 9
Control functions
615 series 719
Technical Manual

Table of Contents

Related product manuals