EasyManua.ls Logo

ABB REF615 - Page 228

ABB REF615
240 pages
Print Icon
To Next Page IconTo Next Page
To Next Page IconTo Next Page
To Previous Page IconTo Previous Page
To Previous Page IconTo Previous Page
Loading...
DEL_INIT_2
DEL_INIT_3
DEL_INIT_4
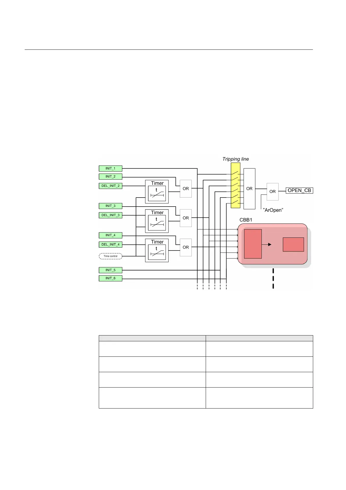
DEL_INIT_2 and INIT_2 are connected together with an OR-gate, as are inputs
3 and 4. Inputs 1, 5 and 6 do not have any delayed input. From the auto-reclosing
point of view, it does not matter whether INIT_x or DEL_INIT_x line is used for
shot initiation or blocking.
The auto-reclose function can also open the circuit breaker from any of the initiation
lines. It is selected with the Tripping line setting. As a default, all initiation lines
activate the OPEN_CB output.
A070276 V1 EN
Figure 113: Simplified logic diagram of initiation lines
Each delayed initiation line has four different time settings:
Table 95: Settings for delayed initiation lines
Setting name
Description and purpose
Str x delay shot 1
Time delay for the DEL_INIT_x line, where x is
the number of the line 2, 3 or 4. Used for shot 1.
Str x delay shot 2
Time delay for the DEL_INIT_x line, used for shot
2.
Str x delay shot 3
Time delay for the DEL_INIT_x line, used for shot
3.
Str x delay shot 4
Time delay for the DEL_INIT_x line, used for
shots 4 and 5. Optionally, can also be used with
SOTF.
Section 10 1MRS756378 D
Control functions
222 REF615
Application Manual

Table of Contents

Other manuals for ABB REF615

Related product manuals