EasyManua.ls Logo

ABB REF615 - Page 89

ABB REF615
240 pages
Print Icon
To Next Page IconTo Next Page
To Next Page IconTo Next Page
To Previous Page IconTo Previous Page
To Previous Page IconTo Previous Page
Loading...
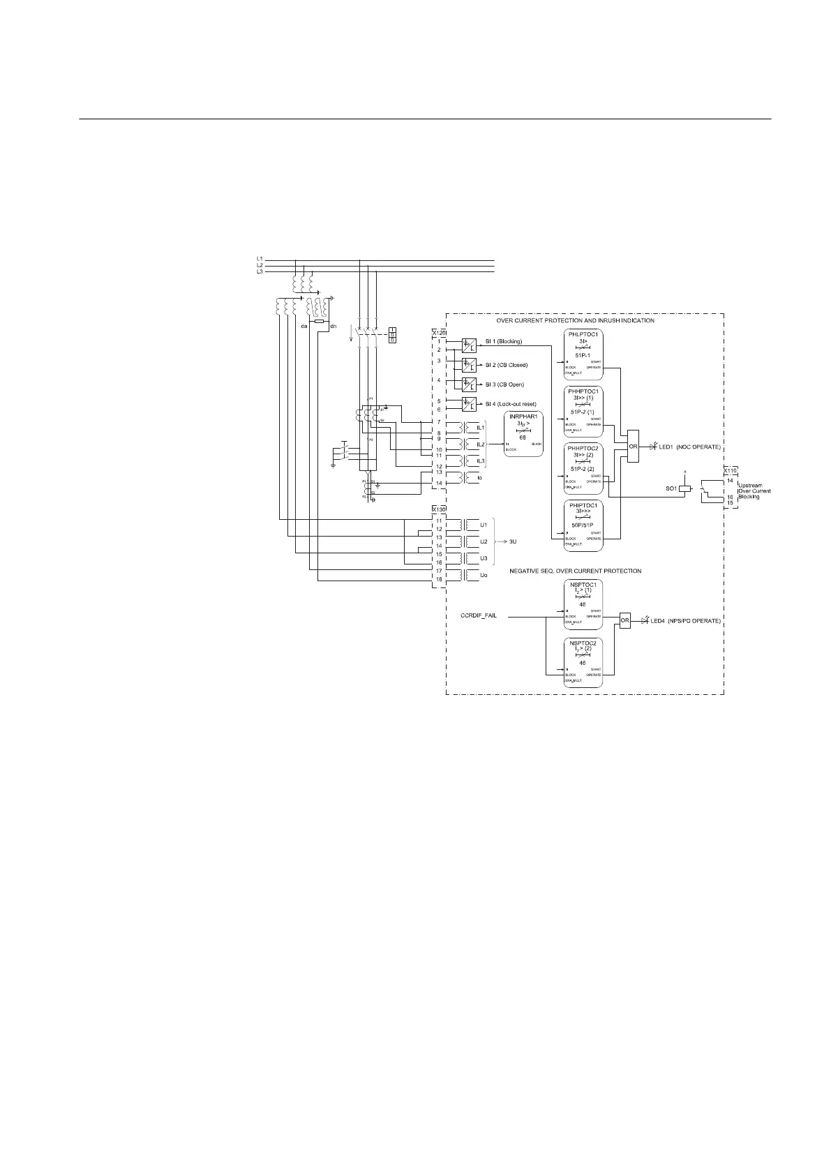
Four overcurrent stages are available for overcurrent and short-circuit protection. The
instantaneous stage (PHIPTOC1) can be blocked by energizing the binary input 1
(X120:1-2). Two negative-sequence overcurrent stages (NSPTOC1 and NSPTOC2)
are available for phase unbalance protection. The inrush detection block’s
(INRPHAR1) output BLK2H enables either blocking the function or multiplying the
active settings for any of the shown protection function blocks.
GUID-37D627C4-6097-4322-BACC-161CC6039EC5 V1 EN
Figure 41: Overcurrent protection and inrush indication
All operate signals are connected to the Master Trip and also to the alarm LEDs.
LED1 is used for overcurrent and LED 4 for negative sequence overcurrent protection
operate indication. LED 4 is also used for phase discontinuity protection operate
indication.
The upstream blocking from the start of the overcurrent second high stage
(PHHPTOC2) is connected to the output SO1 (X110:14-16). This output is used for
sending a blocking signal to the relevant overcurrent protection stage of the IED at
the infeeding bay.
There are four IED variant specific setting groups. Parameters can be set
independently for each setting group.
The active setting group (1...4) can be changed with a parameter or via a binary input
if the binary input is enabled for this. To enable the change of an active setting group
1MRS756378 D Section 3
REF615 variants
REF615 83
Application Manual

Table of Contents

Other manuals for ABB REF615

Related product manuals