EasyManua.ls Logo

ABB relion REF615 - Page 52

ABB relion REF615
404 pages
Print Icon
To Next Page IconTo Next Page
To Next Page IconTo Next Page
To Previous Page IconTo Previous Page
To Previous Page IconTo Previous Page
Loading...
REF615
16
17
19
18
X100
6
7
8
9
10
11
12
13
15
14
2
1
3
4
5
22
21
23
24
SO2
TCS2
PO4
SO1
TCS1
PO3
PO2
PO1
IRF
+
-
U
aux
20
X110
3
4
5
6
7
8
9
10
BI 6
BI 5
BI 4
BI 3
BI 2
BI 8
BI 7
12
13
11
BI 1
1
2
X110
16
14
15
19
17
18
22
20
21
SO3
SO2
SO1
23
SO4
24
X130
1
2
X131
4
5
IL1
7
8
U1
X132
4
5
IL2
7
8
U2
X133
4
5
IL3
7
8
U3
Io
0,2/1A
N
X13
Light sensor input 1
1)
X14
Light sensor input 2
1)
X15
Light sensor input 3
1)
1) Optional
2) BIO0005 Module (8BI+4BO)
Alternative Module BIO0007 (8BI+3HSO)
P2
P1
S1
S2
Positive
Current
Direction
L1
L2
L3
2)
2)
GUID-B70F0C14-52B2-4213-8781-5A7CA1E40451 V2 EN
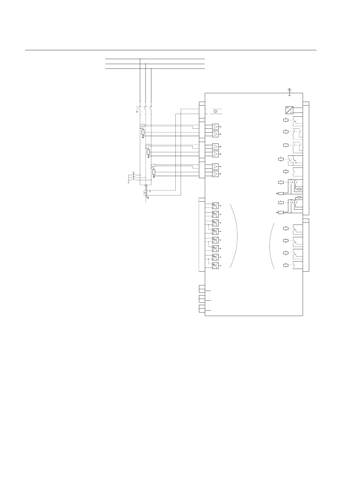
Figure 14: Connection diagram for the G and L configurations
Section 3 1MRS756378 S
REF615 standard configurations
46 REF615
Application Manual

Table of Contents

Related product manuals