EasyManua.ls Logo

ACO 3233 - Section 1 Preparations; Names of each Portion

ACO 3233
48 pages
Print Icon
To Next Page IconTo Next Page
To Next Page IconTo Next Page
To Previous Page IconTo Previous Page
To Previous Page IconTo Previous Page
Loading...
6
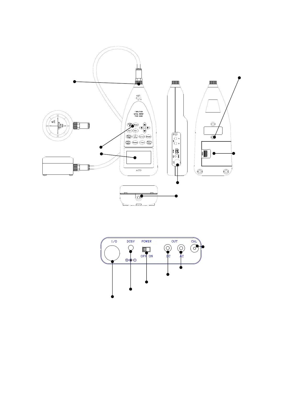
Section 1 Preparations
1. Names of each portion
Threaded retaining ring Female screw for tripod
Front panel
Displaying portion Battery cover
Acceleration pick-up Side panel
TYPE7833 Female screw for tripod
Side panel
Calibration potentiometer
AC OUT connector
DC OUT connector
POWER switch
AC power adaptor connector
External Input/Output connector

Related product manuals