EasyManua.ls Logo

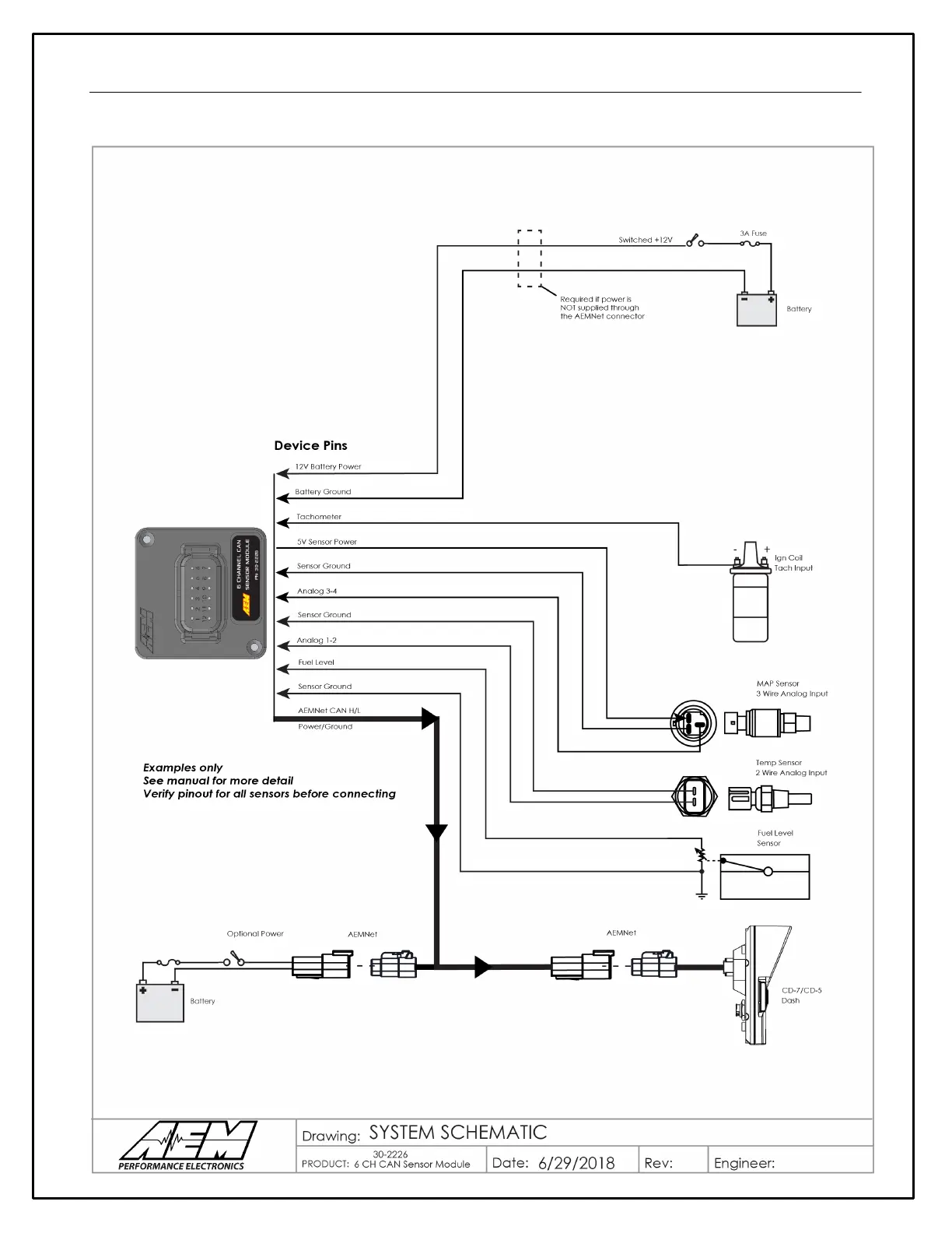
AEM Performance Electronics CD-7 - System Schematic

AEM Performance Electronics CD-7
120 pages
Print Icon
To Next Page IconTo Next Page
To Next Page IconTo Next Page
To Previous Page IconTo Previous Page
To Previous Page IconTo Previous Page
Loading...
31
System Schematic

Table of Contents

Related product manuals