EasyManua.ls Logo

Afag CS 8/10-SD - Fig. 10 Pneumatic Circuit Diagram Compact Slide (5;2); Fig. 11 Pneumatic Circuit Diagram Compact Slide (4;2)

Afag CS 8/10-SD
56 pages
Print Icon
To Next Page IconTo Next Page
To Next Page IconTo Next Page
To Previous Page IconTo Previous Page
To Previous Page IconTo Previous Page
Loading...
Installation, assembly & setting
Assembly instructions EN CS 8 - CS 12 Date 01.06.2021 Version 4.5 3556
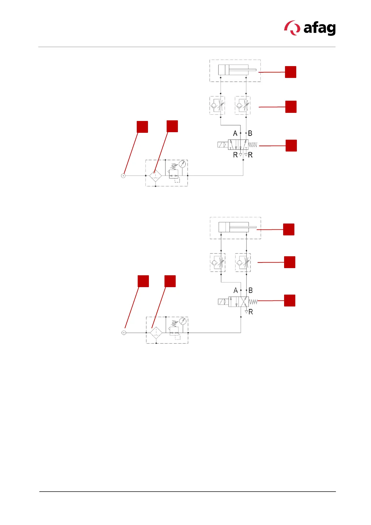
Fig. 10 Pneumatic circuit diagram compact slide (5/2)
Fig. 11 Pneumatic circuit diagram compact slide (4/2)
1. Compressed air connection 4. Throttle check valve (optional)
2. Maintenance unit 5. Compact Slide CS 8 / CS 12
3. 4/2 (5/2) Way-valve
1
2
3
4
5
5
4
3
1
2

Table of Contents

Other manuals for Afag CS 8/10-SD

Related product manuals