EasyManua.ls Logo

Agilent Technologies G1289 - Page 20

Agilent Technologies G1289
157 pages
Print Icon
To Next Page IconTo Next Page
To Next Page IconTo Next Page
To Previous Page IconTo Previous Page
To Previous Page IconTo Previous Page
Loading...
Introduction to Headspace and to the 7694 Headspace Sampler
The 7694 Headspace Sampler
12
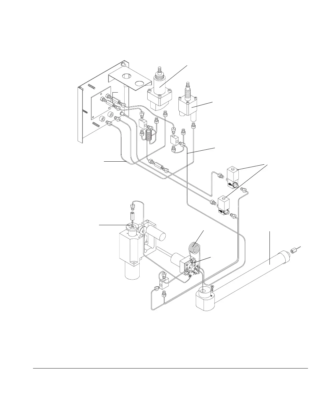
Figure 3. Pneumatic system for the 7694 Headspace Sampler
Model G1289 units do not have
pressure regulators or flow controllers.
Pressure regulator-standalone units only
IN
Flow controller-standalone units only
Stainless steel tubing
Solenoid valves
Transfer line
Sample loop
Six port
injection
valve
Vial sampling
needle
Stainless
steel tubing

Table of Contents

Related product manuals