EasyManua.ls Logo

AMD VCU118 - Page 43

AMD VCU118
132 pages
Print Icon
To Next Page IconTo Next Page
To Next Page IconTo Next Page
To Previous Page IconTo Previous Page
To Previous Page IconTo Previous Page
Loading...
VCU118 Board User Guide 43
UG1224 (v1.5) March 15, 2023
Chapter3: Board Component Descriptions
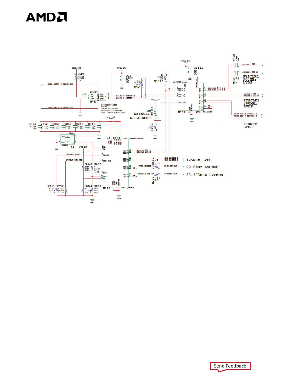
The 300 MHz system clock circuit (U122 upper right CLK0 branch) is shown in Figure 3-4.
The VCU118 SYSCLKn_300 clocks have an optional clock oscillator source U18 as shown in
Figure 3-4. SI570 I
²
C programmable low-jitter 3.3V LVDS differential oscillator U18 is
connected to the CLK1 P/N inputs (pins 3 (P) and 4 (N)) of clock MUX/quad buffer SI53340
U157.
The clock MUX input select pin 2 is wired to 2-pin header J8 and a pull-down resistor. The
default J8 setting is jumper OFF, which allows the pull-down resistor to select U157 input
CLK0, the SI5335A quad clock generator U122 CLK0 300 MHz fixed frequency output. SI570
U18 is selected as the U157 source clock when a jumper block is installed on J8, pulling the
U157 select signal High and selecting the U157 CLK1 input. SI570 U18 can be programmed
over the IIC_MAIN bus, either from the FPGA U1 fabric or the Zynq 7000 SoC system
controller U111. See the I2C Bus, Topology, and Switches section for more details.
X-Ref Target - Fig ure 3-4
Figure34: VCU118 System Clock
X18004-102616
Send Feedback

Table of Contents

Related product manuals