EasyManua.ls Logo

Answer Drives GT3000 - Page 113

Answer Drives GT3000
128 pages
Print Icon
To Next Page IconTo Next Page
To Next Page IconTo Next Page
To Previous Page IconTo Previous Page
To Previous Page IconTo Previous Page
Loading...
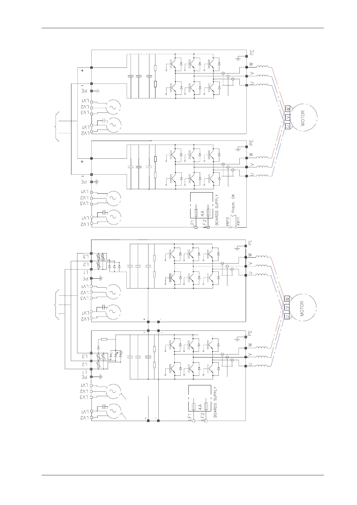
GT3000 Terminal Boards and Power Schematics
IMGT30017EN 101
AC supply
SVGT640 - 960K
MAINS
MAINS BUS DC
DC supply
SVGT640 - 960J
SVGT640K
SVGT780-960K
SVGT780-960K
SVGT640K
Fan
SVGT780-960K
SVGT640K
SVGT780-960K
SVGT640K
Fan
Fan
Fan