EasyManua.ls Logo

Areva MiCOM C232 - Page 22

Areva MiCOM C232
198 pages
Print Icon
To Next Page IconTo Next Page
To Next Page IconTo Next Page
To Previous Page IconTo Previous Page
To Previous Page IconTo Previous Page
Loading...
3 Operation
(continued)
3-142 C232-302-401/402/403/404-603 / C232/EN M/A23
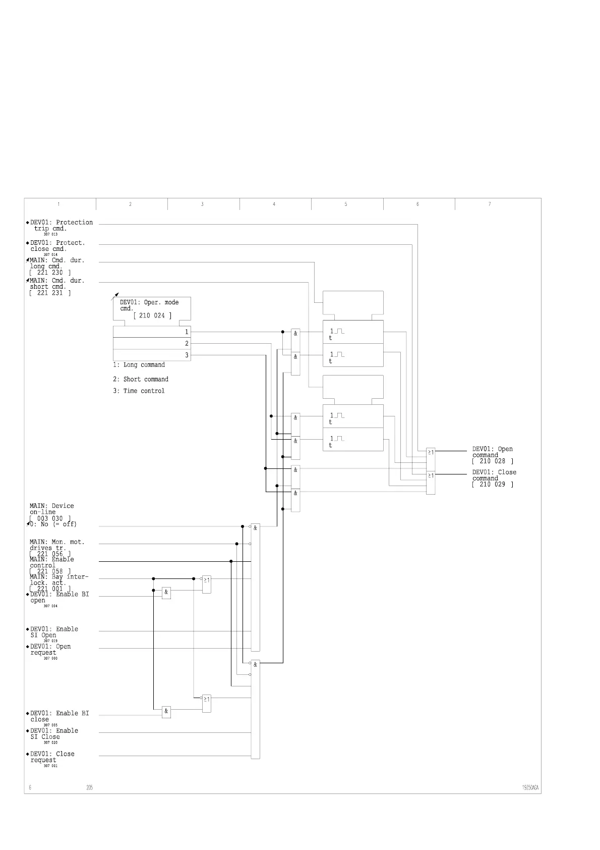
Issue of the switching
commands
The operating mode set for the commands determines whether they are issued for the
set times or whether are issued in accordance with time control.
3-110 Issue of the switching commands

Table of Contents