EasyManua.ls Logo

ASEA AC08 - RS-485;Modbus; Rs-485 Connections

ASEA AC08
47 pages
Print Icon
To Next Page IconTo Next Page
To Next Page IconTo Next Page
To Previous Page IconTo Previous Page
To Previous Page IconTo Previous Page
Loading...
AC08 and AC12 Operations Manual....
28
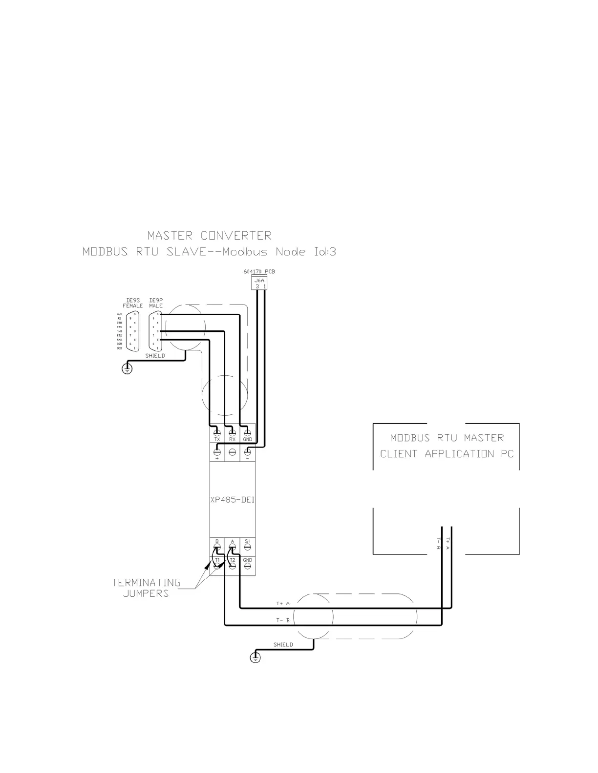
6.4 REMOTE COMMUNICATIONS, cont.
6.4.2 RS-485/Modbus
If included in the converter, a Modbus Option converter/optical-isolator will be located behind the
converter’s lower front panel.
The Modbus Option included converter/optical-isolator connections are depicted in Figure 7 below.
FIGURE 8 RS-485 CONNECTIONS

Related product manuals