EasyManua.ls Logo

Atlantic 024122 - Basic Hydraulic Layout

Atlantic 024122
88 pages
Print Icon
To Next Page IconTo Next Page
To Next Page IconTo Next Page
To Previous Page IconTo Previous Page
To Previous Page IconTo Previous Page
Loading...
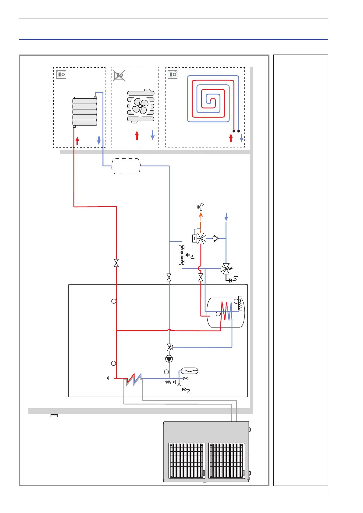
9 Basic Hydraulic Layout
Conguration 1: 1 heating circuit
SE
Ssa
Sae
AE
SR
VE
C
VD
GS
MT
CAR
SDp
Pg
SaeC
SSe
D
R
OU
PC
SA
SA
Rdyn*
OU
SA*
BT *
Key:
AE - DHW electrical backup
CAR - Non-return valve
C - HP circulation pump
CCM - Mixed circuit circulation pump
D - Shut-o󰀨
GS - Safety valve (mandatory)
MT - Thermostatic mixing valve
PC - Underoor heating system
Pg - Bleeder valve
R - Radiators
SA - Room sensor circuit 1(optional)
Sae - DHW electrical backup safety thermostat
SaeC - Safety thermostat (heating backup
option)
SDp - HP ow sensor
SE - Outside sensor
SR - Return sensor
Ssa - DHW sensor
SSe - Safety valve
VD - Distribution valve
VE - Expansion vessel
Installation and Operating Manual "1821- EN"
Alféa Extensa Duo A.I. Heat Pump
- 68 -

Table of Contents

Related product manuals