EasyManua.ls Logo

Beckhoff AX5000 Series - 20 Velocity - Controller Structure; Functionality from Firmware V2.10

Beckhoff AX5000 Series
94 pages
Print Icon
To Next Page IconTo Next Page
To Next Page IconTo Next Page
To Previous Page IconTo Previous Page
To Previous Page IconTo Previous Page
Loading...
Velocity - Controller Structure
Function description 85
Version: 1.5
20 Velocity - Controller Structure
Note
Terminology
The terminology used in this documentation primarily refers to
rotary motors (e.g. actual velocity value).
Note
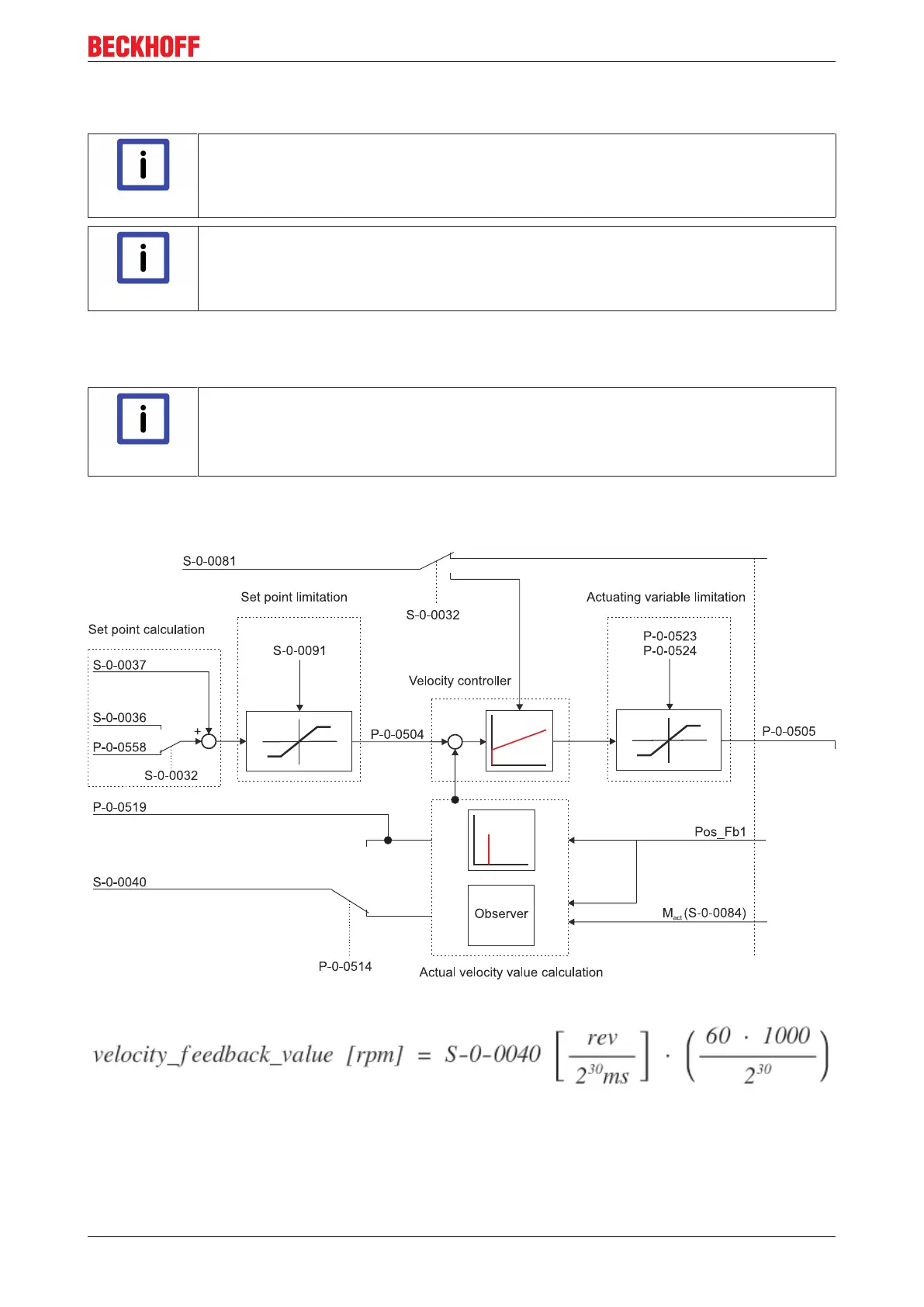
Reference values for the velocity controller structure:
S-0-0032; S-0-0036; S-0-0037; S-0-0040; S-0-0081; S-0-0084; S-0-0091; P-0-0003;
P-0-0504; P-0-0505; P-0-0514 P-0-0519; P-0-0523; P-0-0524; P-0-0558
20.1 Functionality from firmware v2.10
Note
Velocity-Interface!
If the velocity interface is active, the velocity command value (S-0-0036) must be mapped
directly in the process data. The mapping then enables these process data to be linked ex-
ternally (NC / CNC / PLC).
The velocity controller structure is realized via velocity controllers and modules for determining the actual
velocity value. The velocity controller structure enables compliance with the speed requirements of the
higher-level position controller.
This results in the following relationship for the velocity values:
Parameter P-0-0519 contains the result of the differentiation of the position signal. It has the same units as
parameter S-0-0040. The origin of parameter S-0-0040 depends on the settings in parameter P-0-0514.

Table of Contents

Other manuals for Beckhoff AX5000 Series

Related product manuals