EasyManua.ls Logo

Bender AGH675S-7 - Page 26

Bender AGH675S-7
76 pages
Print Icon
To Next Page IconTo Next Page
To Next Page IconTo Next Page
To Previous Page IconTo Previous Page
To Previous Page IconTo Previous Page
Loading...
Installation and connection
26
IRDH275BM-7_D00123_06_M_XXEN/07.2018
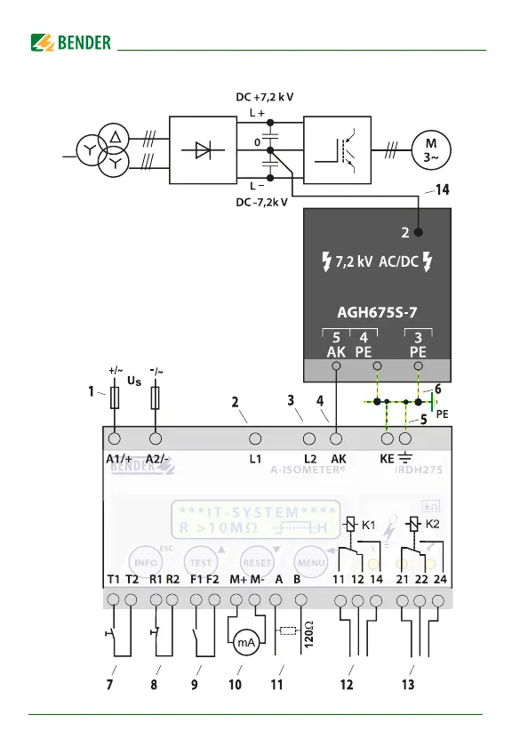
Wiring diagram AGH675S-7

Table of Contents

Related product manuals