EasyManua.ls Logo

Bender AGH675S-7 - Page 27

Bender AGH675S-7
76 pages
Print Icon
To Next Page IconTo Next Page
To Next Page IconTo Next Page
To Previous Page IconTo Previous Page
To Previous Page IconTo Previous Page
Loading...
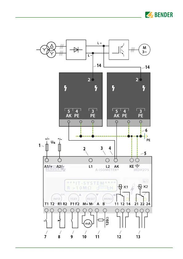
Installation and connection
27
IRDH275BM-7_D00123_06_M_XXEN/07.2018
Wiring diagram AGH675S-7MV15
AGH675S-7MV15AGH675S-7MV15
15,5 kV
DC 15,5 kV
AC/DC15,5 kV AC/DC

Table of Contents

Related product manuals