EasyManua.ls Logo

BestCode NExT 86 - Page 143

Default Icon
305 pages
Print Icon
To Next Page IconTo Next Page
To Next Page IconTo Next Page
To Previous Page IconTo Previous Page
To Previous Page IconTo Previous Page
Loading...
BestCode Next Series 8 Technical Manual October 2022 Page 129 of 290
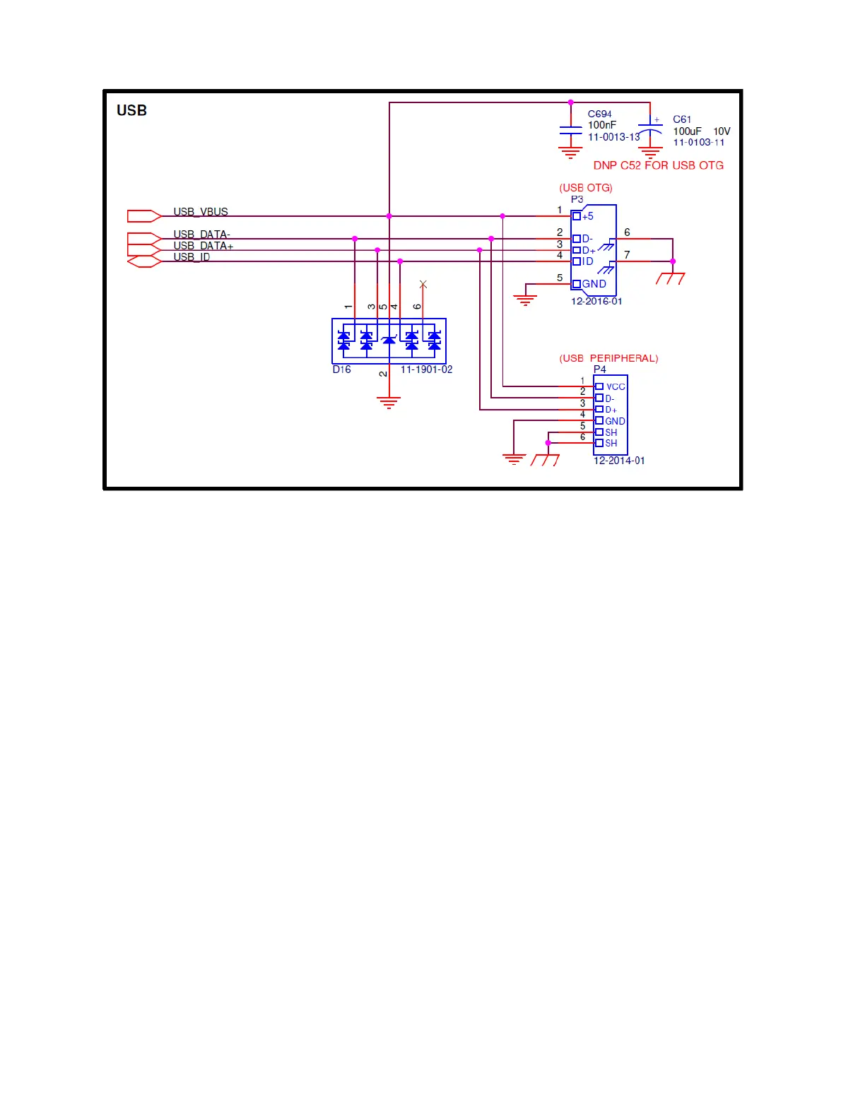
USB

Table of Contents

Related product manuals