EasyManua.ls Logo

Big Joe E30 - Page 37

Big Joe E30
124 pages
Print Icon
To Next Page IconTo Next Page
To Next Page IconTo Next Page
To Previous Page IconTo Previous Page
To Previous Page IconTo Previous Page
Loading...
BL-E30-0515 - 03-01-2018 4-19
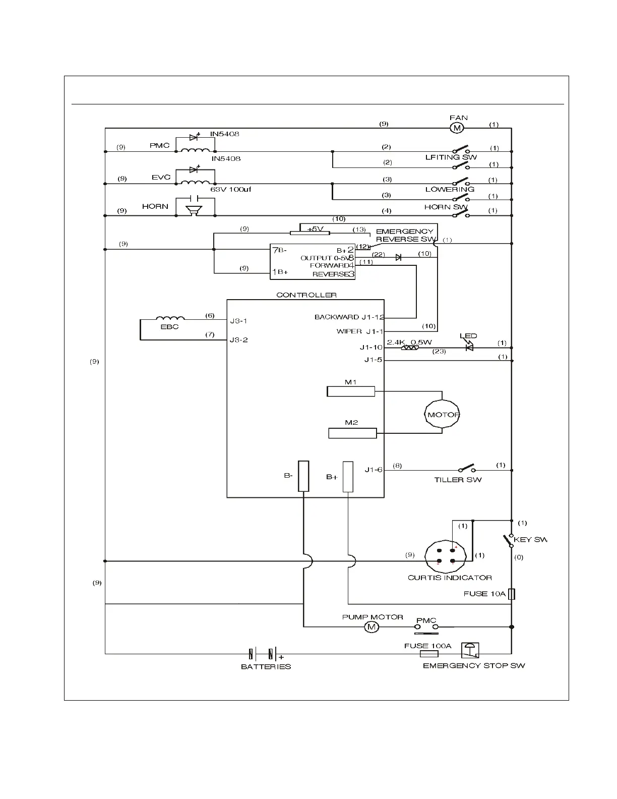
Figure 4-3 Wiring Diagram
R6774

Table of Contents

Related product manuals