EasyManua.ls Logo

Big Joe E30 - 10-1.17 Lift Limit Switch Removal; 10-1.18 Lift Limit Switch Installation

Big Joe E30
124 pages
Print Icon
To Next Page IconTo Next Page
To Next Page IconTo Next Page
To Previous Page IconTo Previous Page
To Previous Page IconTo Previous Page
Loading...
10-6 BL-E30-0515 - 03-01-2018
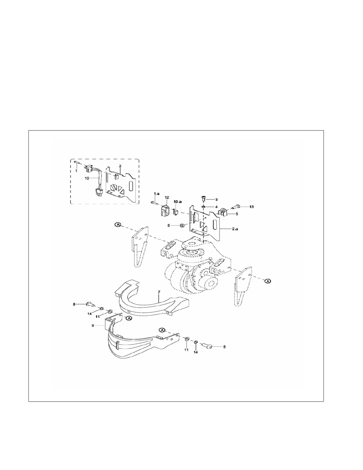
10-1.17.Lift Limit Switch Removal.
1. Lower forks fully.
2. Turn off the key switch ((20, Figure 12-18) and
emergency disconnect (17).
3. Remove the upper compartment covers as
described in paragraph 5-2.
4. Tag and disconnect harness (3, Figure 10-2) from
limit switch (10, Figure 12-8).
5. Remove two screws (1) and limit switch (10) from
bracket (2).
10-1.18.Lift Limit Switch Installation.
1. Position limit switch (10, Figure 12-8) on bracket
(2) and secure with two screws (1).
2. Reconnect harness (3, Figure 10-2) to limit switch
(10, Figure 12-8).
3. Install upper compartment covers as described in
paragraph 5-2.
4. Turn on the key switch (20, Figure 12-18) and
emergency disconnect (17).
Figure 10-4 Compartment
R6743

Table of Contents

Related product manuals