EasyManua.ls Logo

Bil-Jax ESP 19 - Hydraulic Diagram

Bil-Jax ESP 19
96 pages
Print Icon
To Next Page IconTo Next Page
To Next Page IconTo Next Page
To Previous Page IconTo Previous Page
To Previous Page IconTo Previous Page
Loading...
40
M
C2C1
C3
FB FA
B
A
C
D
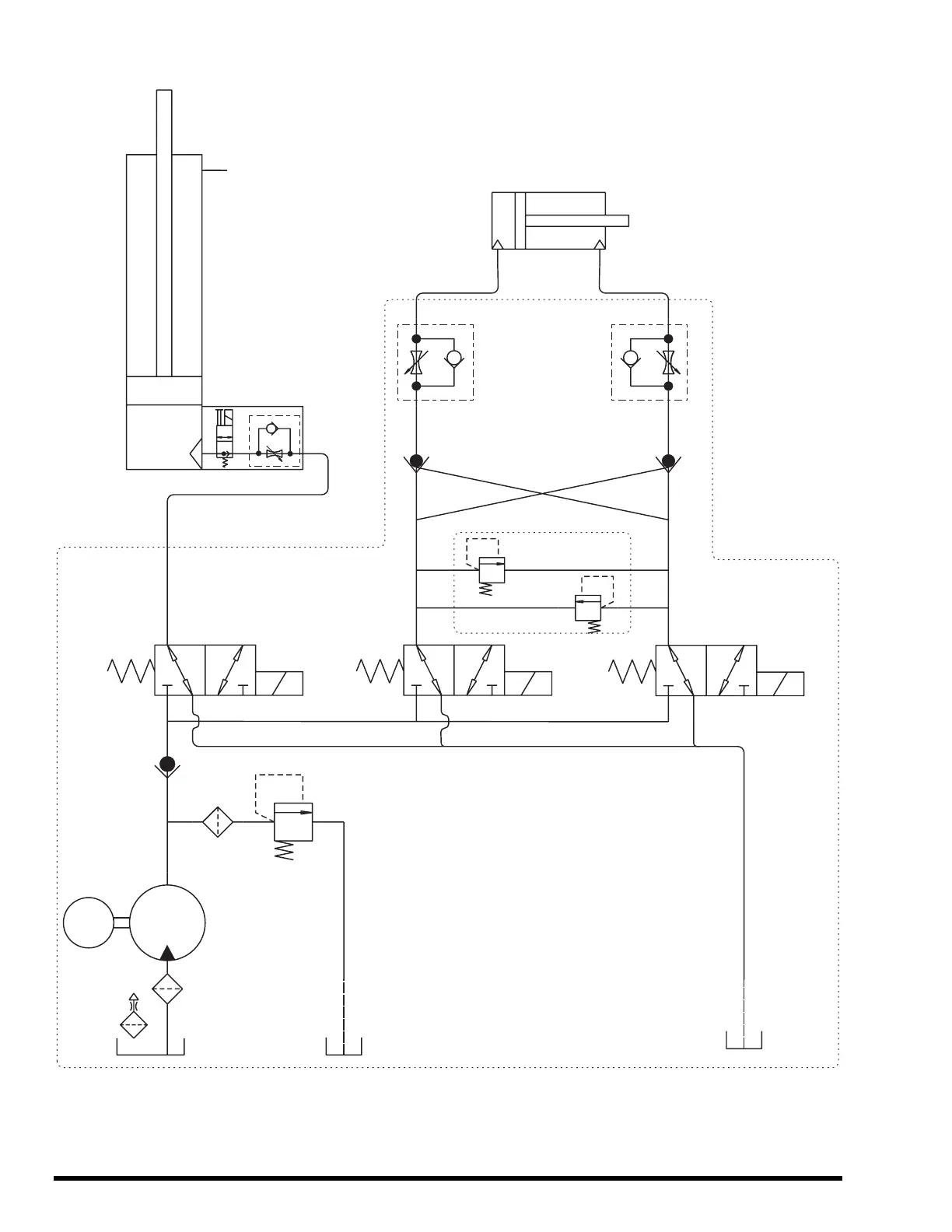
B02-03-0040
Lift Cylinder
B02-03-0038
Steering Cylinder
B02-05-0034
Pump Unit
Figure 4-15. Hydraulic Diagram.

Table of Contents

Related product manuals