EasyManua.ls Logo

Bil-Jax ESP 19 - PC Logic Diagram

Bil-Jax ESP 19
96 pages
Print Icon
To Next Page IconTo Next Page
To Next Page IconTo Next Page
To Previous Page IconTo Previous Page
To Previous Page IconTo Previous Page
Loading...
41
Raise
E-Stop
Enable
2 Amp
10
Amp
Gate
Switch
15’
Switch
1.5 Deg
Level
Sensor
1 Deg
Level
Sensor
Steering
Sensor
Under
Cage
Mast
Switch
Free
Wheel
Switch
Motor
Controller
Hydraulic
Pump Motor
Transaxle
Motor
Parking
Brake
Left Solenoid
Start Solenoid
Start Solenoid
Start Solenoid
Down Valve
Up Valve
Right Solenoid
Start
Solenoid
FWI
FWI
Forward
Reverse
Left Turn
Right Turn
FWI
FWI
M
M
110v Box
Switch
110v Switch
Box Relay
Master
Power
++
--
MSI
MSI
MSI
UCI
UCIPlatform Lower
Platform Raise
SSI
SSI
SSI
LSI
LSI
LSI
LSI
Lower
Drive FWD
Beacon Lamp
Drive REV
Steer Right
Steer Left
Upper Control Box
Main
Control
Board
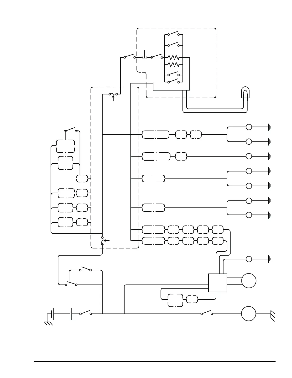
Figure 4-16. PC Logic Diagram.

Table of Contents

Related product manuals