EasyManua.ls Logo

Bil-Jax ESP 19 - Upper Control Wiring Diagram

Bil-Jax ESP 19
96 pages
Print Icon
To Next Page IconTo Next Page
To Next Page IconTo Next Page
To Previous Page IconTo Previous Page
To Previous Page IconTo Previous Page
Loading...
45
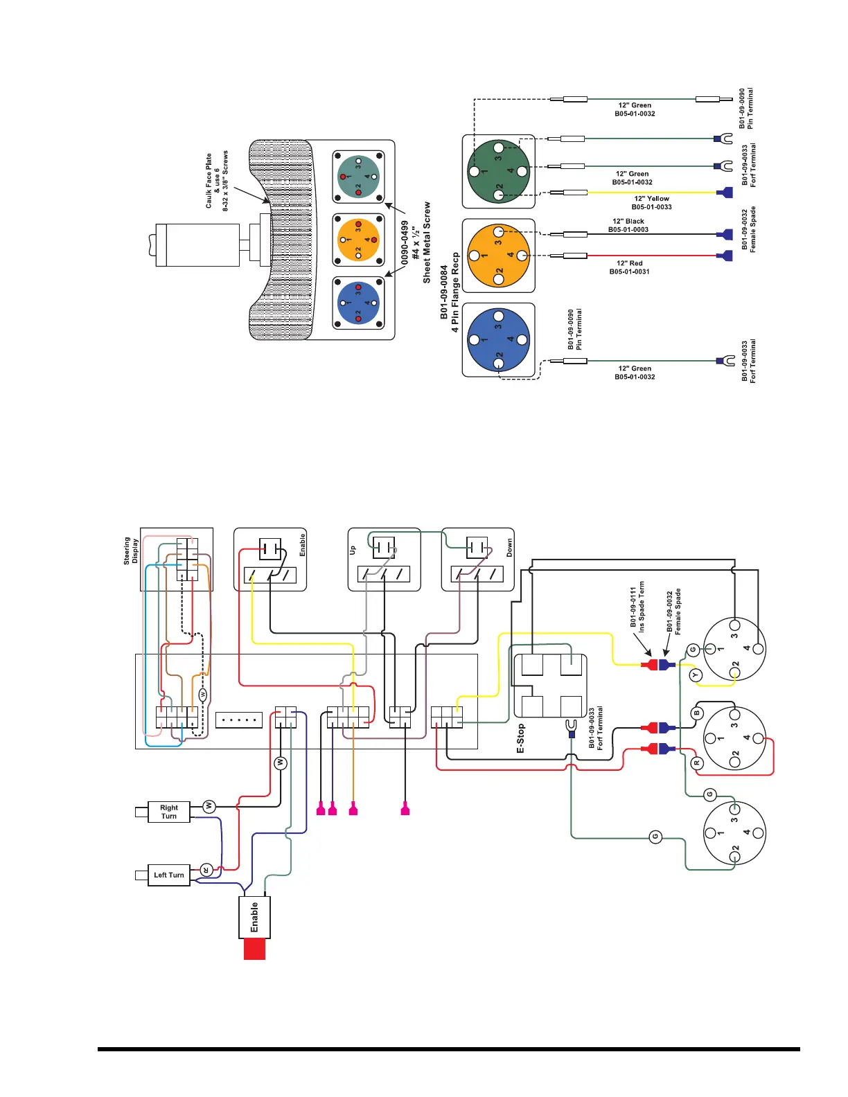
Figure 4-19. Upper Control Wiring Diagram.

Table of Contents

Related product manuals