EasyManua.ls Logo

bioscrypt V-Flex 4G - Certification Marks; Power over Ethernet Connection; Specifications for Suitable Poe Injectors for 4 G Indoor Devices

bioscrypt V-Flex 4G
85 pages
Print Icon
To Next Page IconTo Next Page
To Next Page IconTo Next Page
To Previous Page IconTo Previous Page
To Previous Page IconTo Previous Page
Loading...
October152009InstallationGuideDraftEditPurposesOnly Page51
Installation Guide – October 2009 – Edit Purposes Only
2009
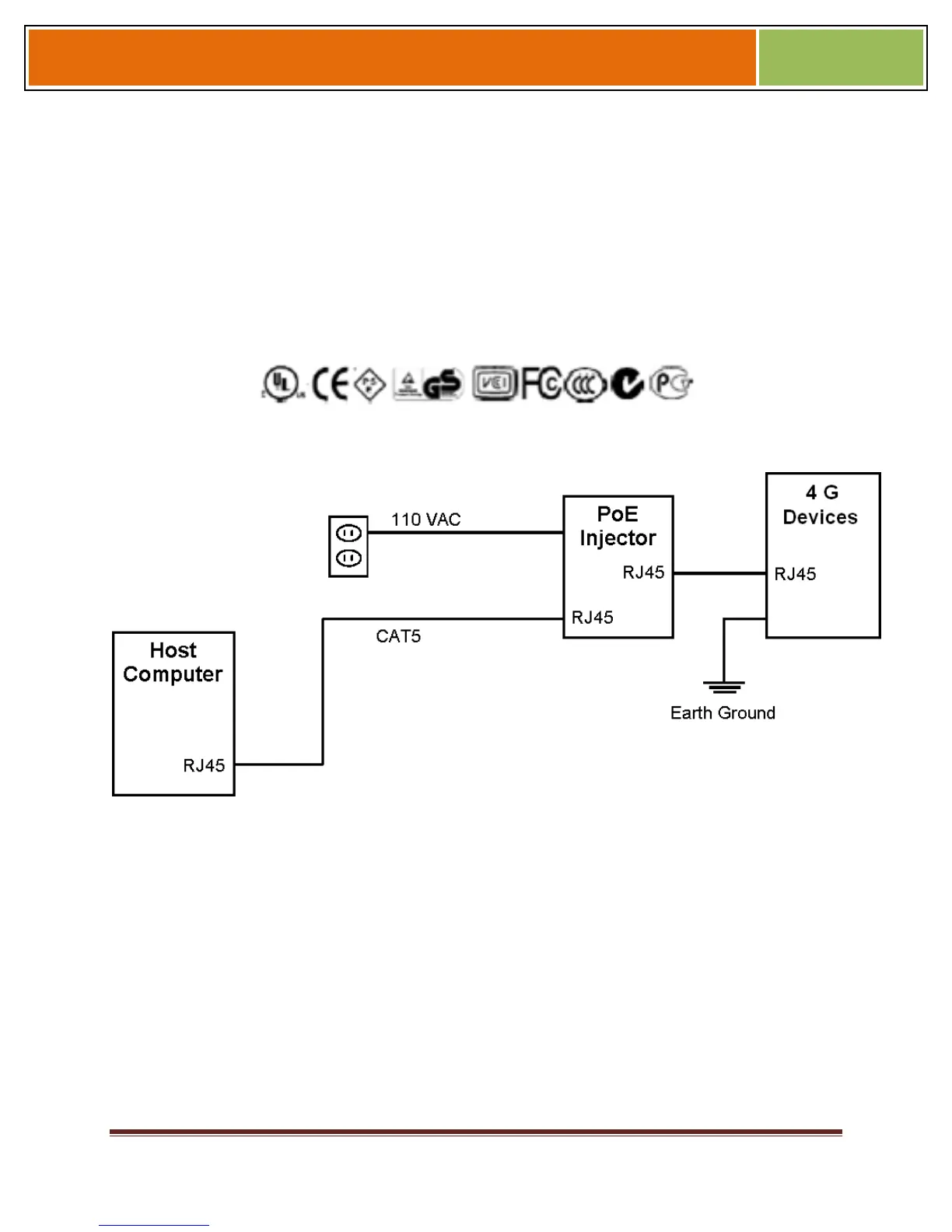
The V-Station 4G, V-Flex 4G devices both support Power over Ethernet (PoE), using
their RJ-45 Ethernet interface. When these devices are to be powered over Ethernet, an
IEEE 802.3af compliant Active Midspan Injector must be used. Such an injector is not
supplied with L-1 Identity Solutions products. An example of a suitable PoE injector is
Model No. AT-61 01 G from Allied Telesis Inc. (http://www.alliedtelesis.com).
Any such device should carry at least one of the certifications shown below and should
be FCC listed.
Figure 4-10 Certification Marks
Figure 4-11 Power Over Ethernet Connection
Specifications for suitable PoE Injectors for 4G Indoor devices are as follows:
9 Input voltage: 90-264 VAC, 60 Hz
9 Input current: 0.4A @ 100 VAC
9 Output voltage: -48 VDC
9 Output current: 0.32A
9 Power: 15.36 W
For Power over Ethernet, RJ-45 pin numbers 4, 5 are considered VB1 (+) positive DC
supply, and pin numbers 7, 8 are VB2(-) DC return.

Table of Contents