EasyManua.ls Logo

Blastrac 500 E Global - Method of Installing Side Seals; Side Seal System

Blastrac 500 E Global
108 pages
Print Icon
To Next Page IconTo Next Page
To Next Page IconTo Next Page
To Previous Page IconTo Previous Page
To Previous Page IconTo Previous Page
Loading...
Operating Instructions 500 E Global
General
14
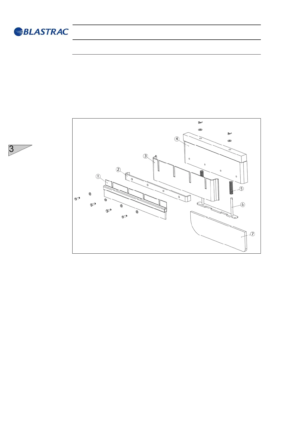
Side seal system:
The side skirts and brushes are fixed to each side seal box with a
plate and four screws. To replace them: unscrew the screws and
remove the side skirts and brush and replace them if necessary.
Fig. 3.10
1 Side brush
2 Side skirt fixing plate
3 Side skirt
4 Seal box (blast housing)
5 Side seal spring
6 Side seal spring plate
7 Side seal
Method of installing side seals:
It is necessary to lift one side of the machine at a time to enable the
seals to be put in place from the bottom. This is achieved as follows:
1. Check that power to the machine is on.
2. With the directional controls in central position (neutral) press
drive start button.

Table of Contents

Related product manuals