EasyManua.ls Logo

BLUM MINIPRESS P - Diagrams; Electrical Diagram: 1 x 230 V 50 Hz

BLUM MINIPRESS P
32 pages
Print Icon
To Next Page IconTo Next Page
To Next Page IconTo Next Page
To Previous Page IconTo Previous Page
To Previous Page IconTo Previous Page
Loading...
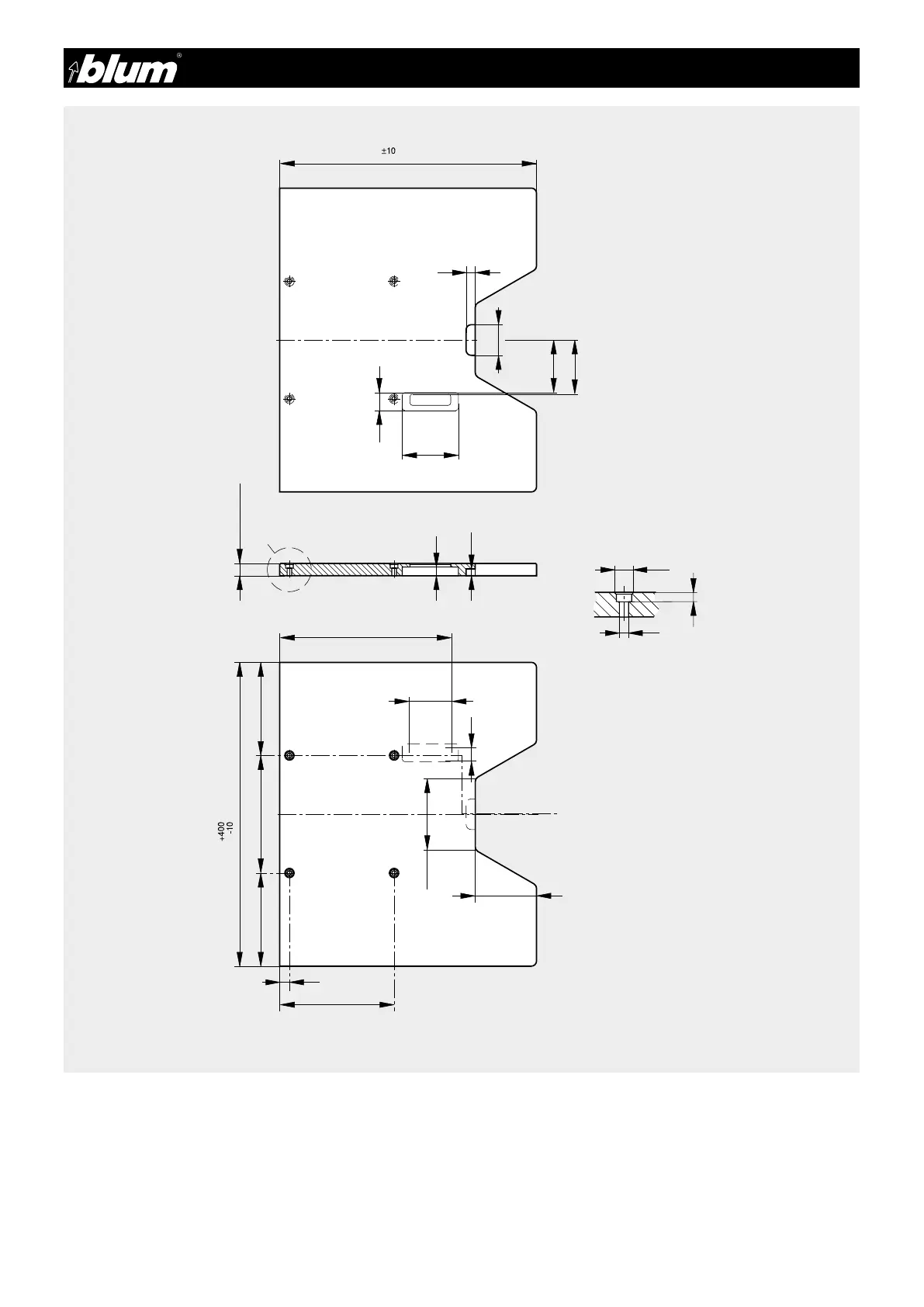
28 BA-106/1EA M53.10XX
9 - User-supplied work table
If you are making your own work table, use plywood or laminated wood.
In addition, please use the supplied screws for attaching the work table.









 








  


All dimensions in millimeters

Table of Contents

Other manuals for BLUM MINIPRESS P

Related product manuals