EasyManua.ls Logo

Broaster VF-2 - Page 13

Broaster VF-2
108 pages
Print Icon
To Next Page IconTo Next Page
To Next Page IconTo Next Page
To Previous Page IconTo Previous Page
To Previous Page IconTo Previous Page
Loading...
1-7
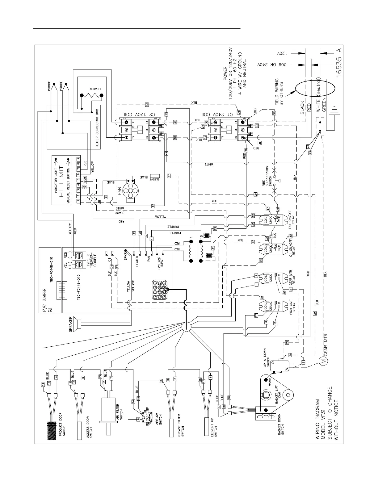
WIRING DIAGRAM VF3i: effective S/N VF3G900320
NO
NC
C
PRESS URE SE NSOR
P
MPL
broaster.com Manual #16501 8/06 Rev 2/15
broaster.com Manual #16501 8/06 Rev 2/15

Other manuals for Broaster VF-2

Related product manuals